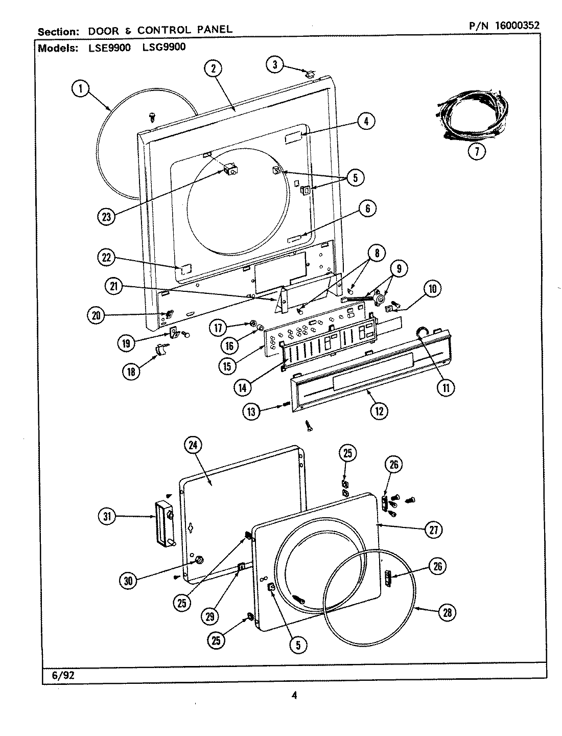
LSE9900ADE 11 – DOOR & CONTROL PANEL