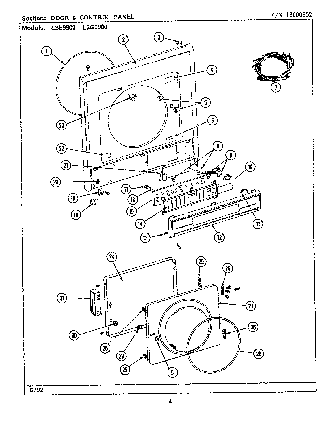
LSE9900AEE 11 – DOOR & CONTROL PANEL