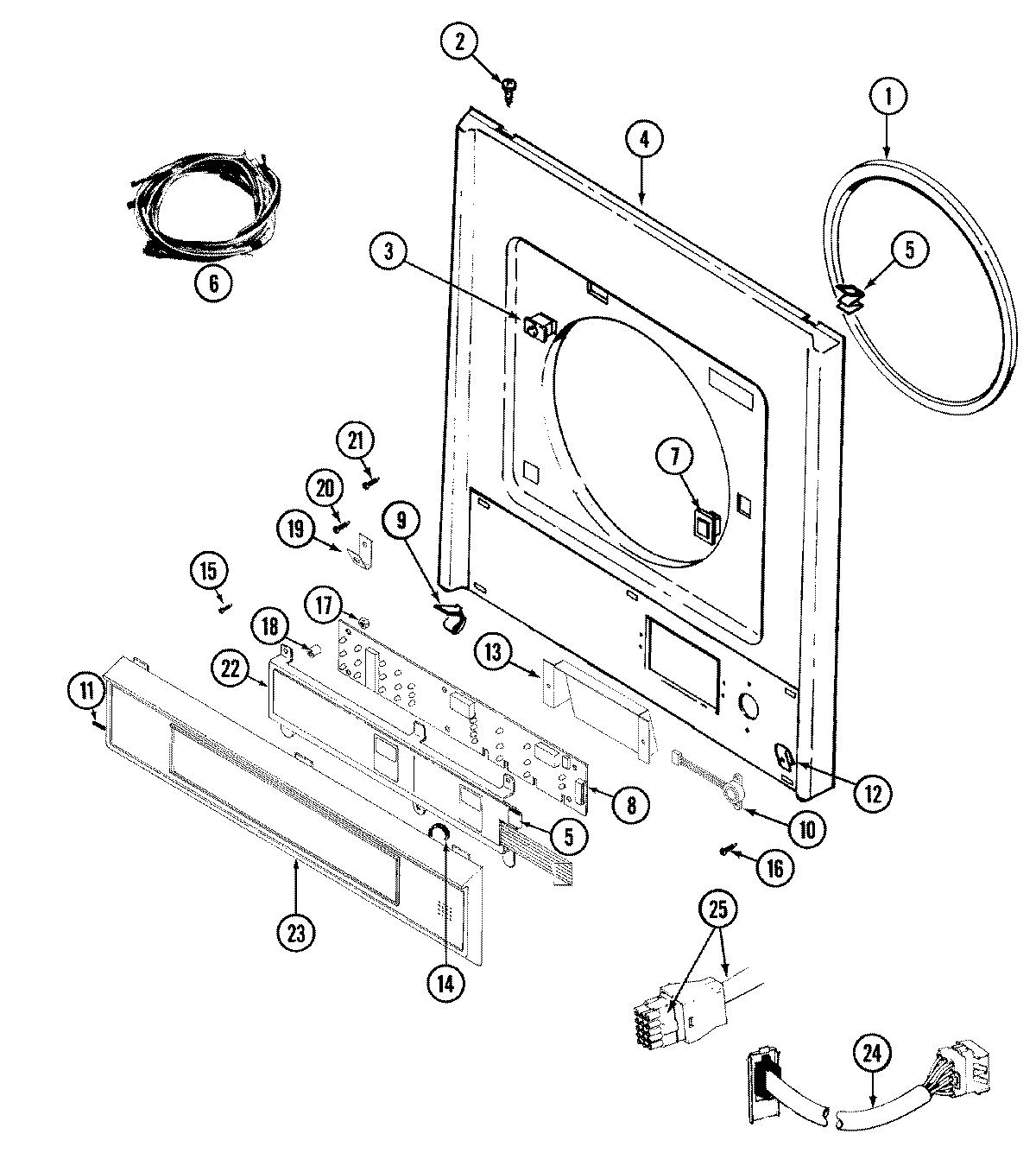
LSE9904ACE 08 – FRONT PANEL & CONTROL PANELadmin2025-04-26T10:25:23+00:00LSE9904ACE 08 – FRONT PANEL & CONTROL PANEL ProductsPositionProduct2WP1163283 Whirlpool Air Conditioner Screw3MAY 330014203W10169313 Whirlpool Door Switch Kit4MAY 330013984MAY 330011884WP98008544 Whirlpool Screw Assembly5MAY 9120866MAY Y3090866MAY 330013967MAY Y3045788MAY 330010489MAY 31448210MAY 30607011MAY 31456012488660 Whirlpool Refrigerator Nut13MAY 31451714MAY 31456116MAY Y31230417M0282005 Whirlpool Nut18MAY 91207519MAY 31448120MAY 21093221WP90767 Whirlpool Screw21MAY Y31355922MAY 3300133523MAY 3300131824MAY 2200158724MAY 20877924MAY 2200143025MAY 20878026MAY 3300139426MAY 33001321