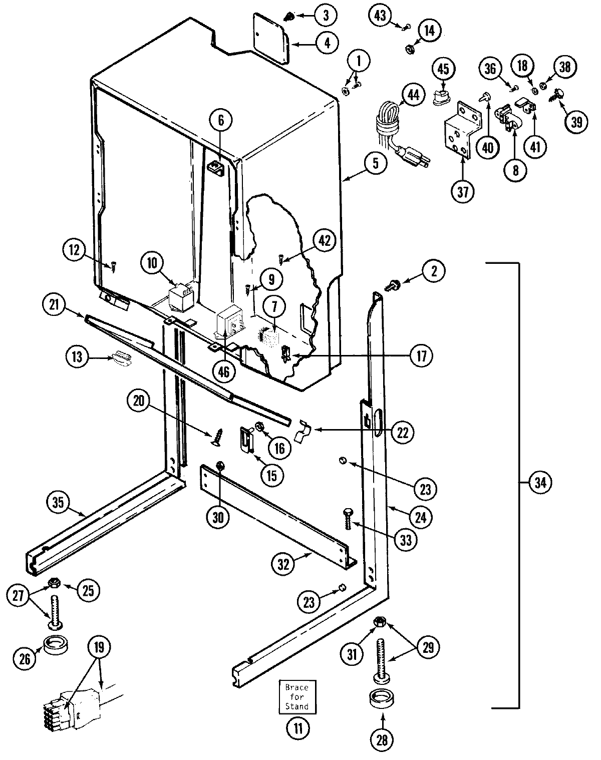
LSE9904ACL 03 – CABINET-DRYER