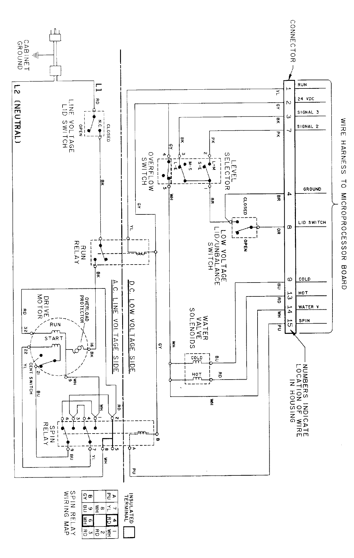
LSE9904ADE 16 – WIRING INFORMATION-ALL MODELS (WASHER)admin2025-04-26T10:27:52+00:00LSE9904ADE 16 – WIRING INFORMATION-ALL MODELS (WASHER) ProductsPositionProductNIMAY 15001292