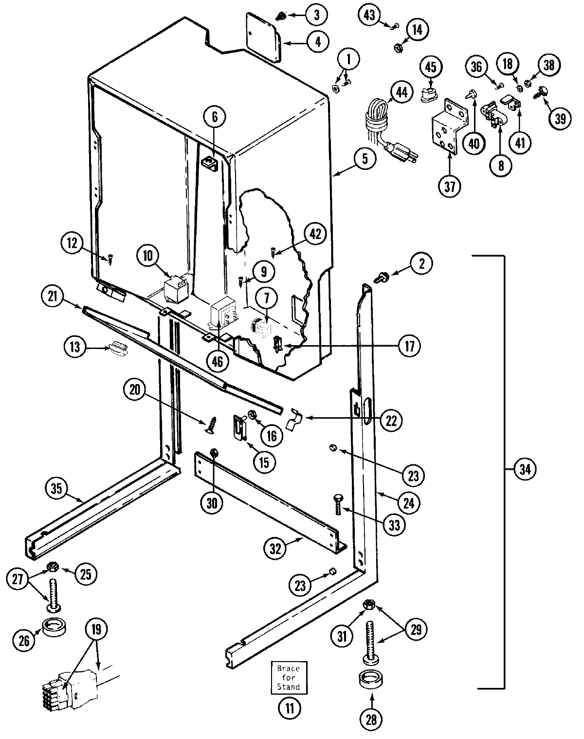
LSE9904ADL 03 – CABINET-DRYERadmin2025-04-26T10:29:25+00:00LSE9904ADL 03 – CABINET-DRYER ProductsPositionProduct1MAY 3038462MAY 3146633MAY Y3135614MAY 3144705MAY 308055L6MAY 3125487MAY 3061998PART NOT USED9MAY 21227610MAY 90196111MAY 30612813MAY 2200119514WP3400029 Whirlpool Dishwasher Nut15MAY 31448916MAY 21487217MAY Y31326219MAY 20877919MAY 2200143019MAY 3300132320MAY 31447721MAY 3300105121MAY 3300113022MAY 31448223MAY 31449824MAY 3300129425WP62739 Whirlpool Nut26WPY314137 Whirlpool Rubber Foot27W10176519 Whirlpool Leveling Feet28WP210684 Whirlpool Dishwasher Leveling Leg Pad29LEG, ADJUSTABLE (W/NUT)---S30Y052721 Whirlpool Nut31WP210385 Whirlpool Lock Nut32MAY 31449933MAY 21435434MAY 306110L35MAY 3300129636SCREW, No.10-24 X 3/4 INCH-----O37PART NOT USED38WP112432 Whirlpool Nut Assembly40MAY Y31063242WP3177991 Whirlpool Screw43MAY 21604244MAY 3300142544MAY 30516845GROMMET46MAY 306062