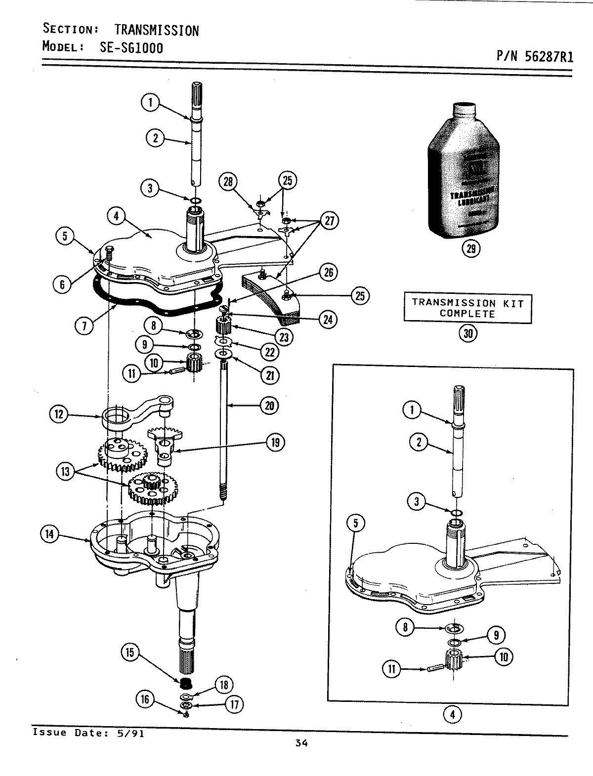
LSG1000 16 – TRANSMISSIONadmin2025-04-26T10:27:56+00:00LSG1000 16 – TRANSMISSION ProductsPositionProduct1MAY Y0148392MAY 2007303MAY 2106904MAY 2008135MAY 0156396MAY Y0156297MAY 2106328MAY Y0159029MAY Y01482710MAY 21005411MAY 21018312MAY 20146313MAY 20496714MAY 20319315MAY 20660216WP912618 Whirlpool Dishwasher Screw17WP22003555 Whirlpool Washer ST18WP211089 Whirlpool Lug Stop19MAY 21067020PART NOT USED20MAY 21028621WP6-2114830 Whirlpool Washer Spare Part22MAY 21148423MAY 21031524MAY 21148625WP62739 Whirlpool Nut26MAY 21148727MAY 20581128MAY 21017229MAY Y05608030MAY 207929