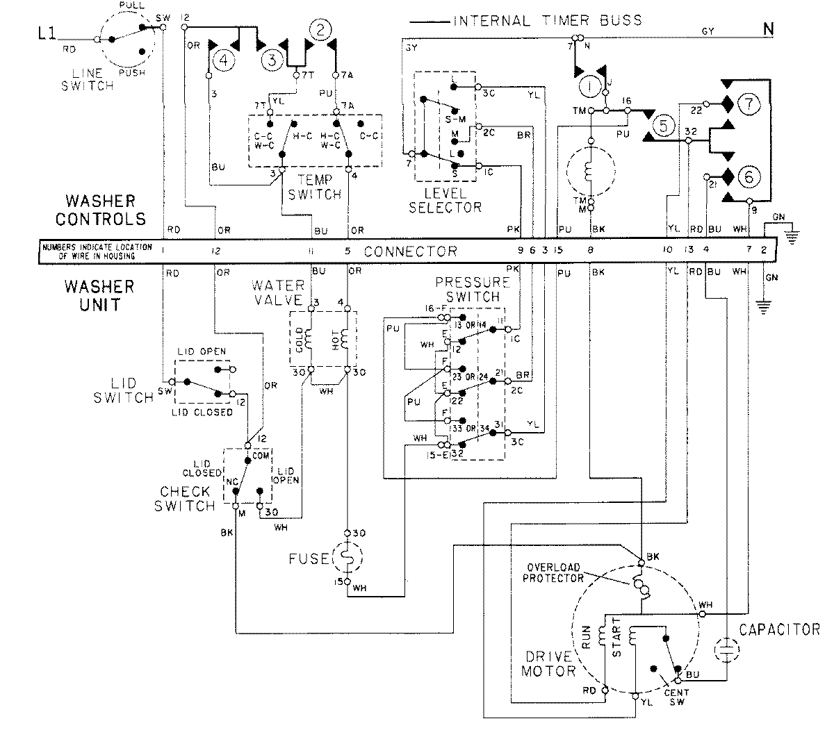
LSG2704W 16 – WIRING INFORMATION-WASHERadmin2025-04-26T10:28:31+00:00LSG2704W 16 – WIRING INFORMATION-WASHER ProductsPositionProductNIMAY 15001266