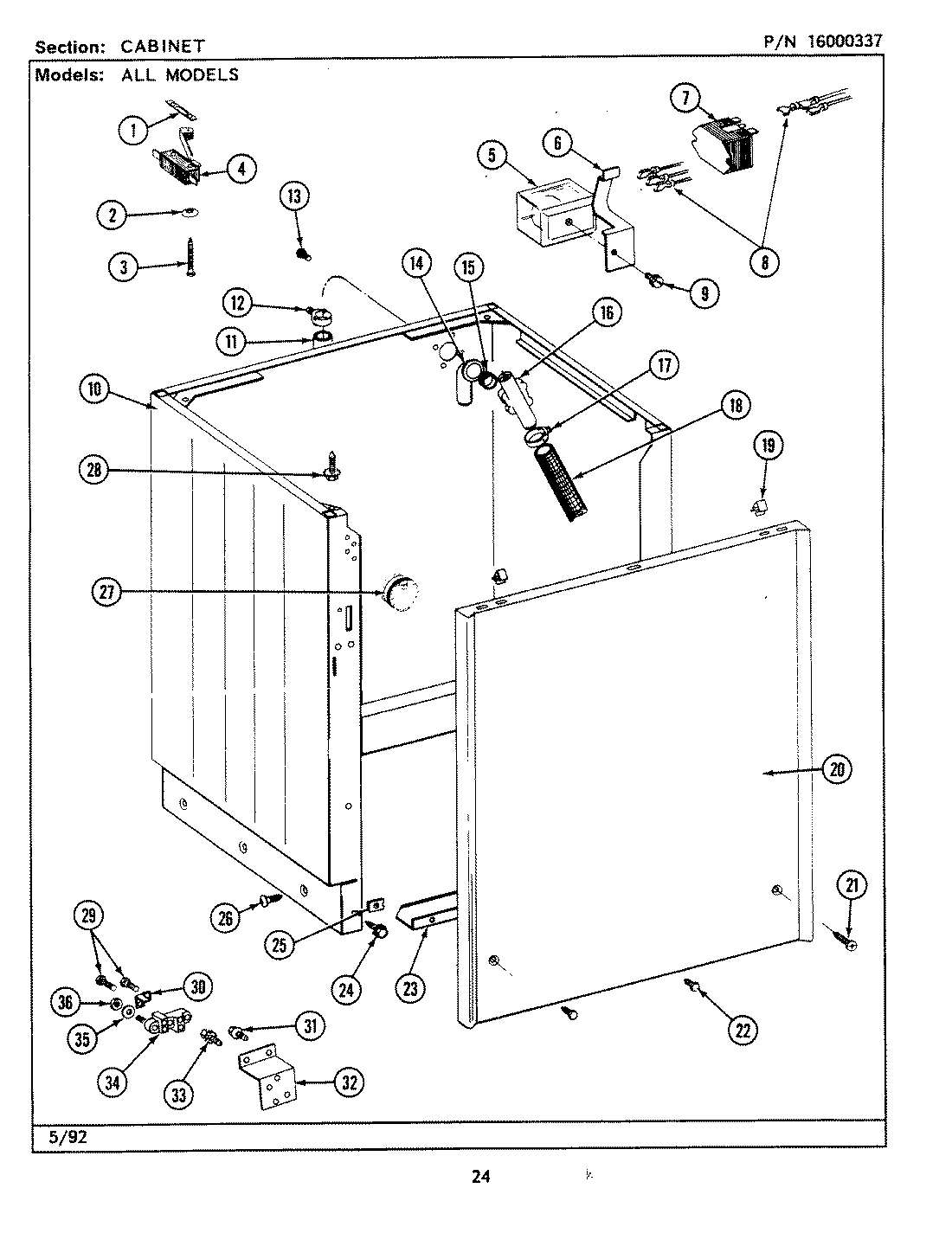
LSG7800AAL 04 – CABINET