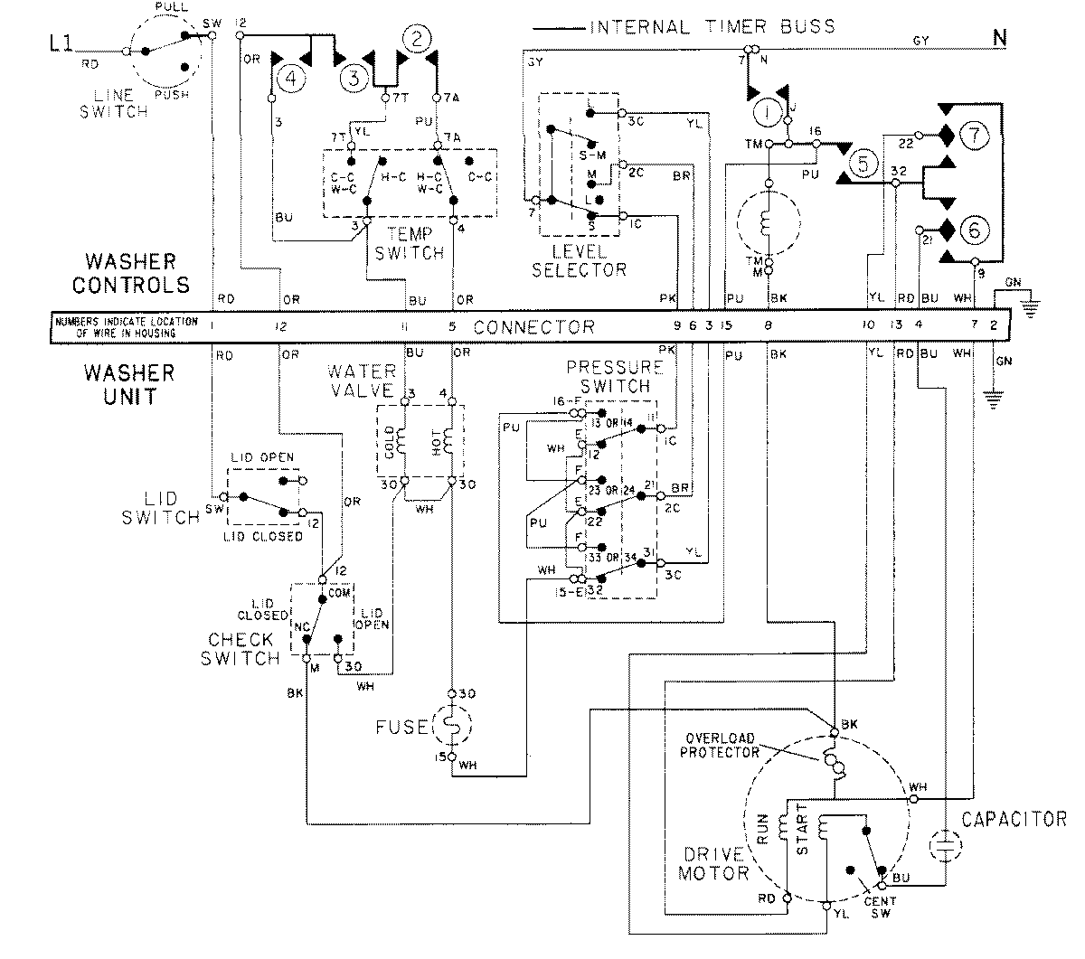
LSG7804AAL 16 – WIRING INFORMATION-WASHERadmin2025-04-26T10:27:06+00:00LSG7804AAL 16 – WIRING INFORMATION-WASHER ProductsPositionProductNIMAY 15001266