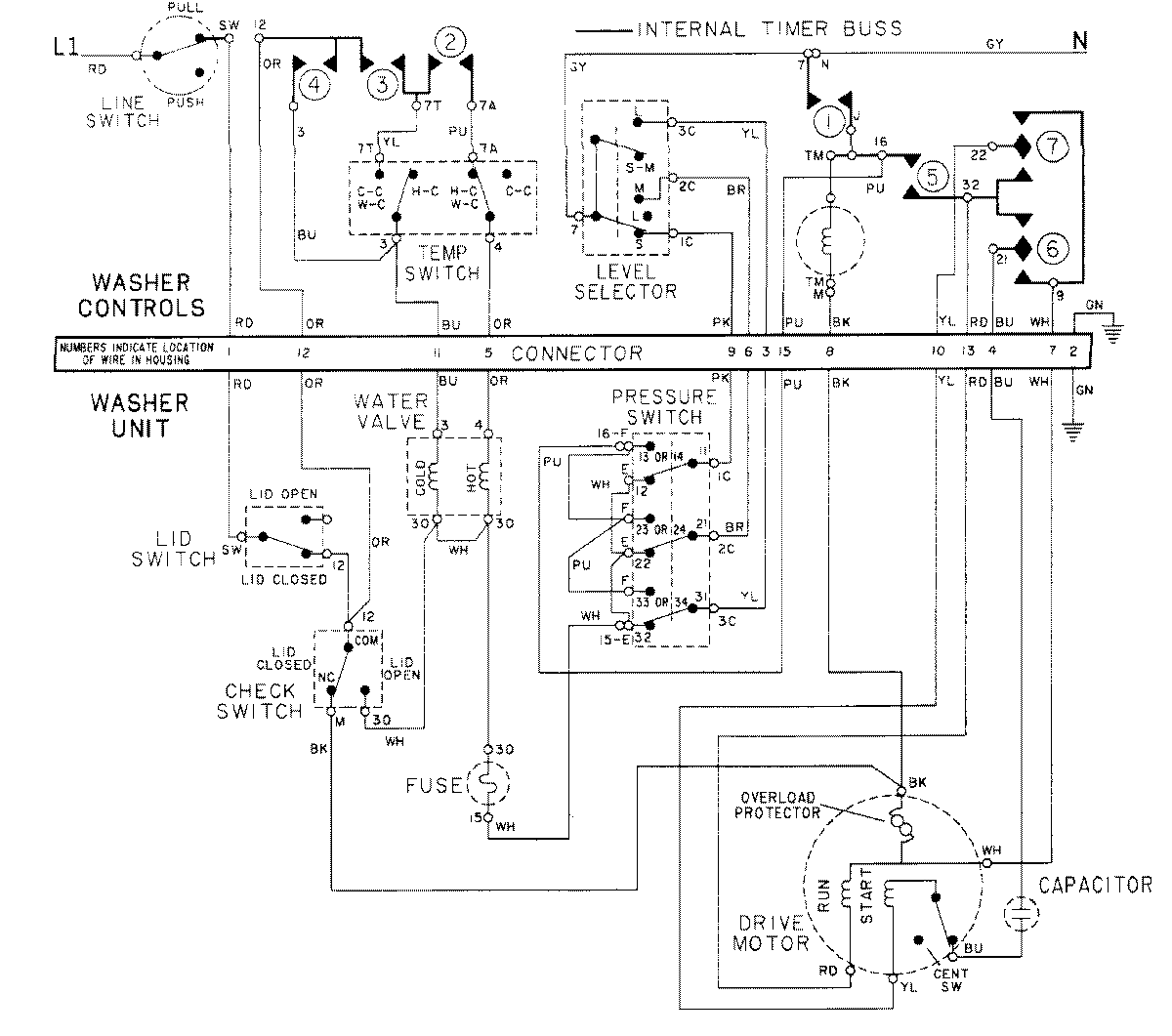
LSG7804ABE 17 – WIRING INFORMATION-WASHERadmin2025-04-26T10:28:42+00:00LSG7804ABE 17 – WIRING INFORMATION-WASHER ProductsPositionProductNIMAY 15001266