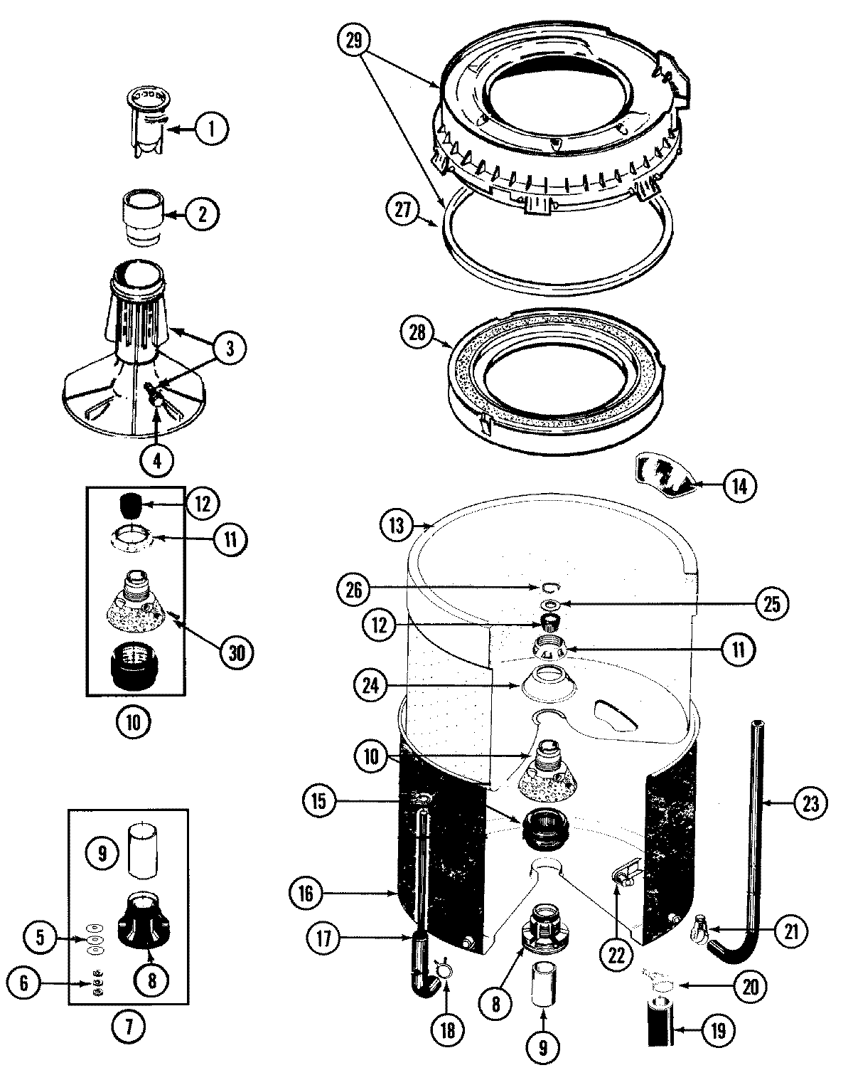
LSG7804ABL 13 – TUB