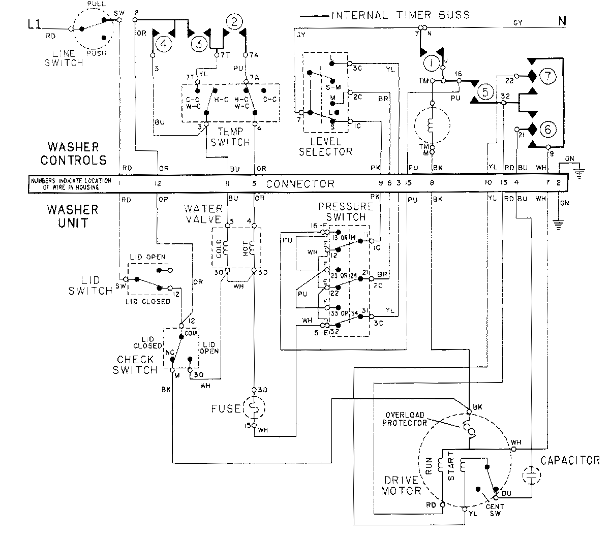
LSG7804ABL 16 – WIRING INFORMATION-WASHERadmin2025-04-26T10:30:27+00:00LSG7804ABL 16 – WIRING INFORMATION-WASHER ProductsPositionProductNIMAY 15001266