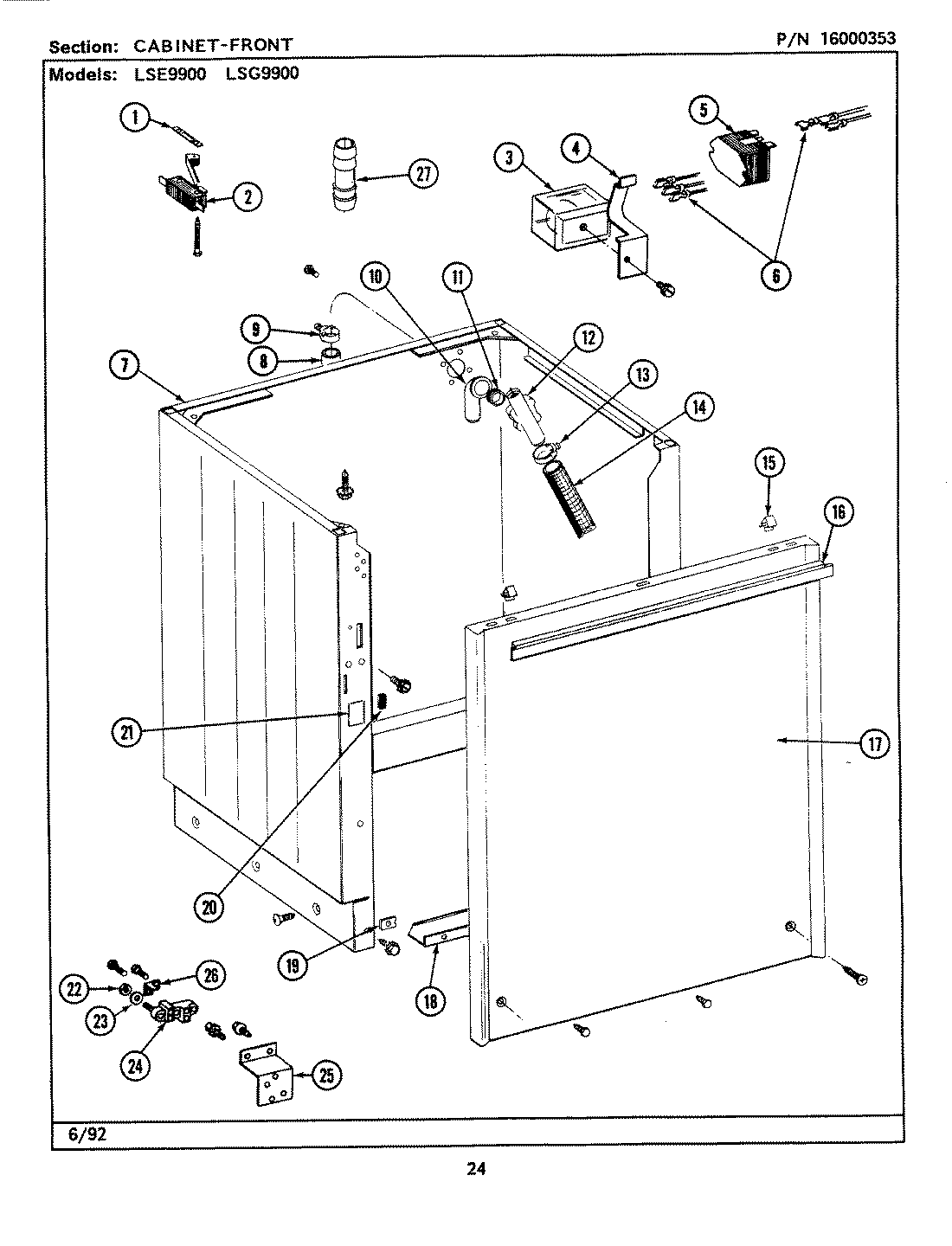
LSG9900ABE 08 – CABINET (FRONT)admin2025-04-26T10:28:12+00:00LSG9900ABE 08 – CABINET (FRONT) ProductsPositionProduct1MAY 2108662MAY 2024762MAY 2135013MAY 2064214SPRING CLIP4SCREW, BUSHINGS5MAY 9019616MAY 2064237MAY 2072077WP27001200 Whirlpool Screw7213007 Whirlpool Screw #128MAY 2160178MAY Y0591499MAY 2009089MAY 20046110WPW10116738 Whirlpool Elbow Connector11WP214765 Whirlpool Gasket12WPY014874 Whirlpool Screw12206638 Whirlpool Break Siphon Connector Kit13WP285655 Whirlpool Hose Clamp14WP22001448 Whirlpool Drain Pump Hose15MAY 21571116MAY 21526617WP22001496 Whirlpool Screw18WP90767 Whirlpool Screw18MAY 21384619MAY 21328020MAY 21437621MAY 31460922WP112432 Whirlpool Nut Assembly23WPY311270 Whirlpool Washer TE24PART NOT USED25PART NOT USED26PART NOT USED27MAY Y216015