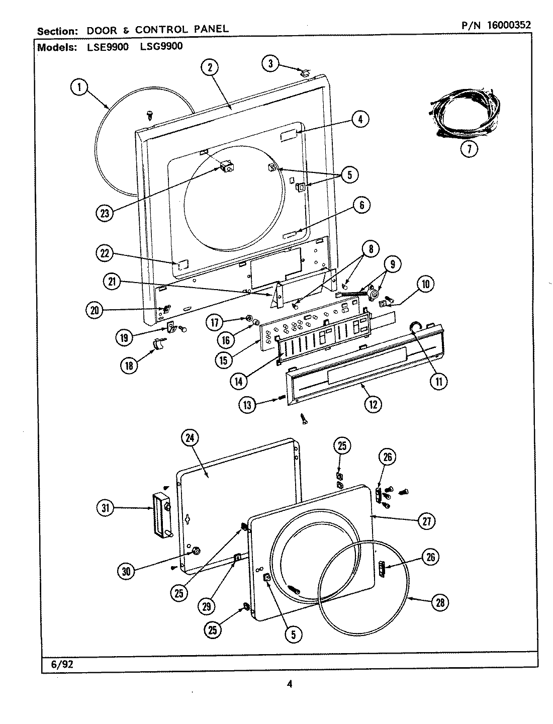
LSG9900ABE 11 – DOOR & CONTROL PANELadmin2025-04-26T10:27:59+00:00LSG9900ABE 11 – DOOR & CONTROL PANEL ProductsPositionProduct2MAY 3144742WP1163283 Whirlpool Air Conditioner Screw3MAY Y3103764MAY Y3139275306436 Whirlpool Washer Dryer Door Catch and Plastic Strike5SCREW6MAY 3146097MAY 3067177WIRE HARNESS, MAIN (SG9900)7CABLE STRAP-HARNESS TO BASE7MAY Y3129538MAY 3145239SCREW, BUSHINGS9MAY 30607010MAY 91208611MAY 31456112CONTROL PANEL12MAY 21093213MAY 31456014MAY Y30796515MAY 30606916MAY 91207517M0282005 Whirlpool Nut18MAY 31448219MAY 31448119WP90767 Whirlpool Screw20MAY 31474821MAY 31451722MAY 31448623W10169313 Whirlpool Door Switch Kit24MAY 31447525CLIP, DOOR LINER26MAY Y30457727MAY 30667628MAY 31407729MAY Y31391130MAY 21487231MAY 314476