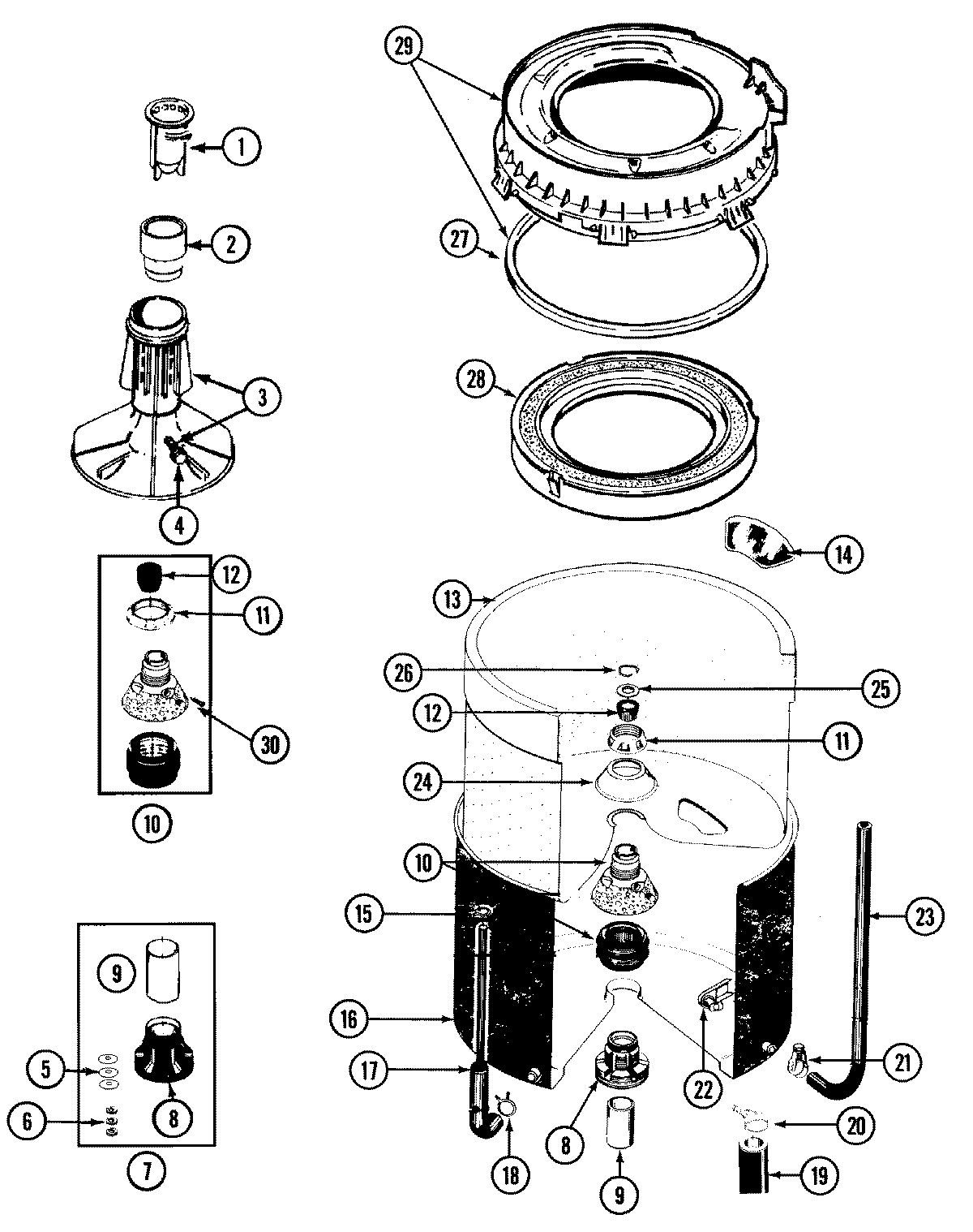
LSG9904AAL 14 – TUB