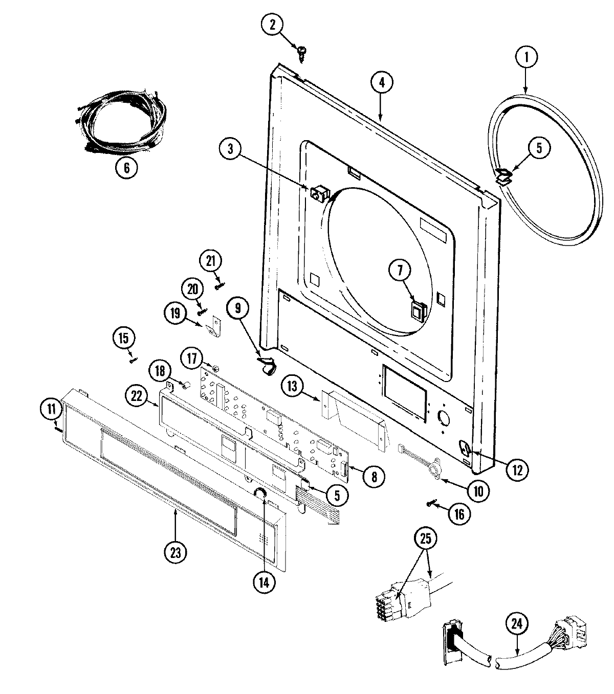
LSG9904AAM 08 – FRONT PANEL & CONTROL PANEL (LSG9904AAM)admin2025-04-26T10:27:38+00:00LSG9904AAM 08 – FRONT PANEL & CONTROL PANEL (LSG9904AAM) ProductsPositionProduct2WP1163283 Whirlpool Air Conditioner Screw3MAY 330014204WP98008544 Whirlpool Screw Assembly4MAY 330013975MAY 9120866MAY 330013967MAY Y3045788MAY 330010489MAY 31448210MAY 30607011MAY 31456012488660 Whirlpool Refrigerator Nut13MAY 31451714MAY 31456116MAY Y31230417M0282005 Whirlpool Nut18MAY 91207519MAY 31448120MAY 21093221WP90767 Whirlpool Screw21MAY Y31355922MAY 2200152723MAY 2200152624MAY 2200143024MAY 2200158725MAY 20878026MAY 33001395