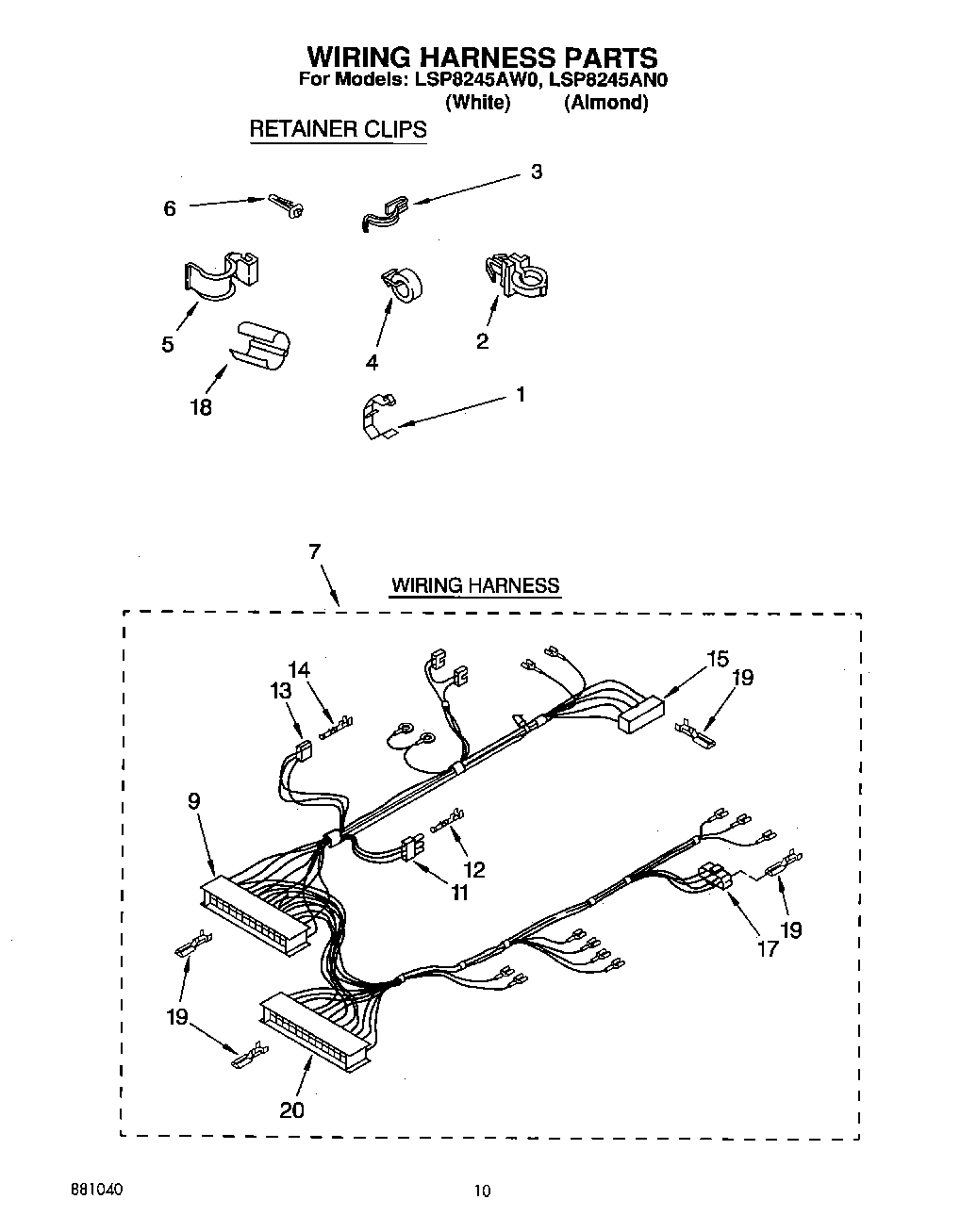
LSP8245AW0 08 – WIRING HARNESSadmin2025-04-26T11:15:28+00:00LSP8245AW0 08 – WIRING HARNESS ProductsPositionProduct1Clip, Harness2Clip, Harness38528351 Whirlpool Clip48559320 Whirlpool Clip5WP90016 Whirlpool Clip6Clip, Harness7Wiring Harness9W10876590 Whirlpool Connector11WP62889 Whirlpool Washer Lid Switch Terminal Receptacle12WP94614 Whirlpool Terminal13353424 Whirlpool Connector14WP596797 Whirlpool Terminal15WP62505 Whirlpool Connector17Block, Disconnect18Protector, Harness19Terminal20Timer, Block Disconnect (White)