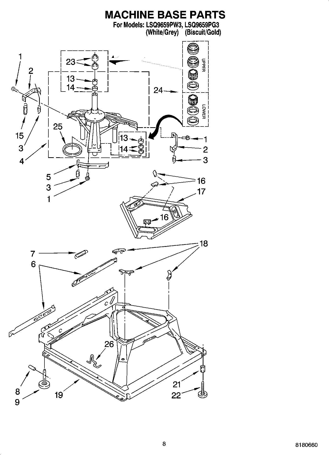
LSQ9659PG3 05 – MACHINE BASE PARTS