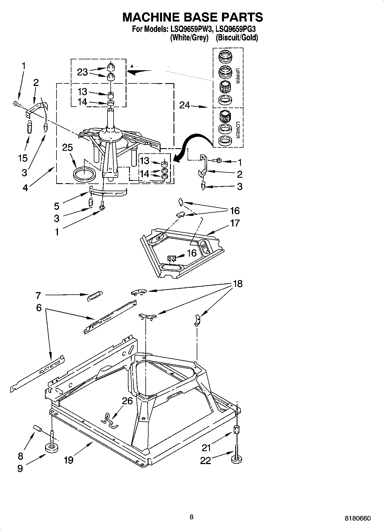
LSQ9659PW3 05 – MACHINE BASE PARTS