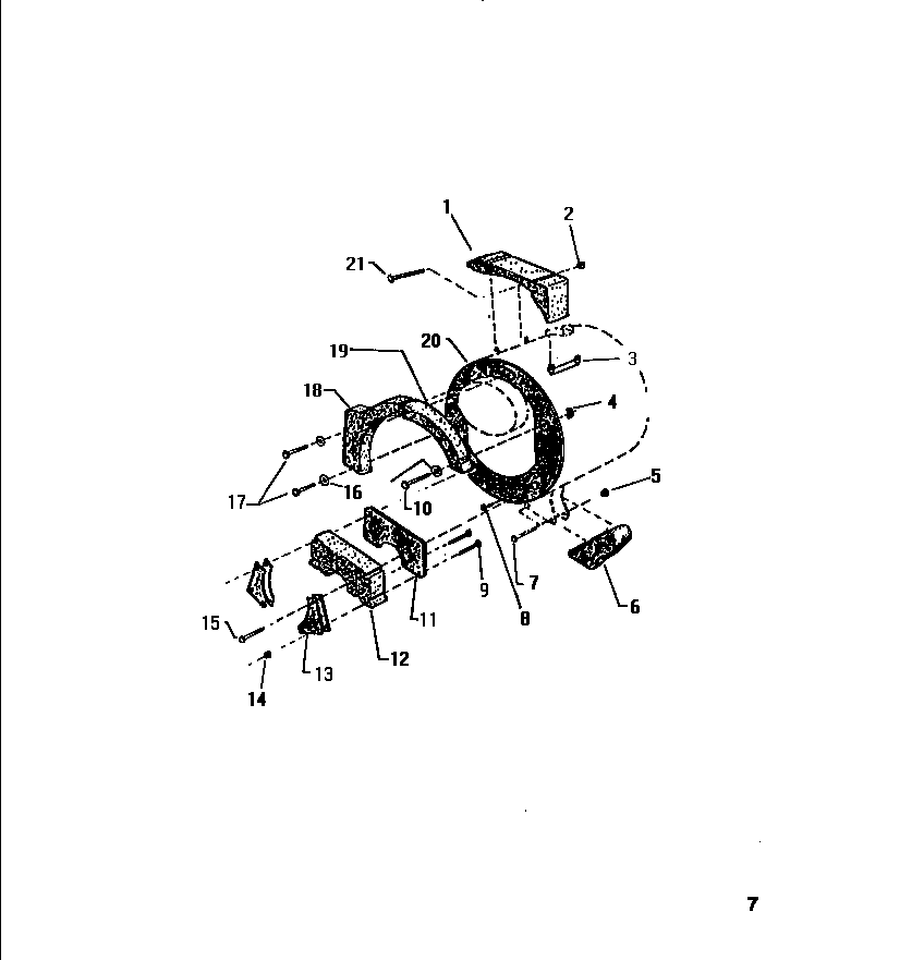
LT150EXH2 07 – COUNTERWEIGHT SECTIONadmin2025-04-26T08:56:57+00:00LT150EXH2 07 – COUNTERWEIGHT SECTION ProductsPositionProduct1COUNTERWEIGHT TOP2WCI Q5008313WCI Q6138754NUT 6 REQ.6COUNTERWEIGHT BOTTOM LEFT8WCI Q50556410BOLT 2 REQ.11BRKT12COUNTERWEIGHT LOWER CENTER13BRKT 2 REQ.14NUT 4 REQ.15BOLT 2 REQ.16WASHER 2 REQ.17BOLT 2 REQ.18COUNTERWEIGHT, CTR LEFT19COUNTERWEIGHT, UPPER RIGHT20RING COUNTERWEIGHT21BOLT 2 REQ.