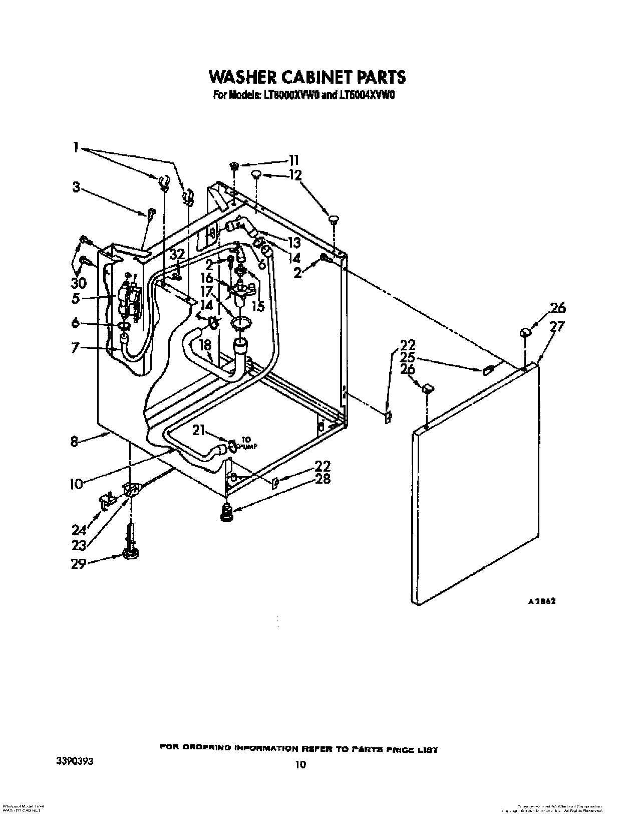
LT5004XVW0 08 – WASHER CABINETadmin2025-04-26T13:01:26+00:00LT5004XVW0 08 – WASHER CABINET ProductsPositionProduct1356746 Whirlpool Clip2SCREW3WP3390631 Whirlpool Screw5285805 Whirlpool Washer Water Inlet Valve6WP596669 Whirlpool Hose Clamp7WP692699 Whirlpool Hose8Cabinet (Almond)8Cabinet (White)10WP696710 Whirlpool Hose11WP692400 Whirlpool Nut12WP660975 Whirlpool Button Plug13W11213338 Whirlpool Connector14Clamp, Hose15WP356471 Whirlpool Cap16WP356363 Whirlpool Siphon Break17WP616099 Whirlpool Clamp18WP696394 Whirlpool Hose21WP285655 Whirlpool Hose Clamp22W10854425 Whirlpool Dryer Front Panel Bottom Mounting Clip23WP358652 Whirlpool Link24WP359364 Whirlpool Clip25WP98234 Whirlpool Nut26WP345670 Whirlpool Lock27WP692628 Whirlpool Panel27Panel, Front (Almond)28WP367594 Whirlpool Leveling Feet29WP358594 Whirlpool Leveling Feet30WP308544 Whirlpool Screw323390046 Whirlpool Protector