LT5005XMW0 05 – DRYER BULKHEADadmin2025-04-26T13:01:00+00:00LT5005XMW0 05 – DRYER BULKHEAD
Products
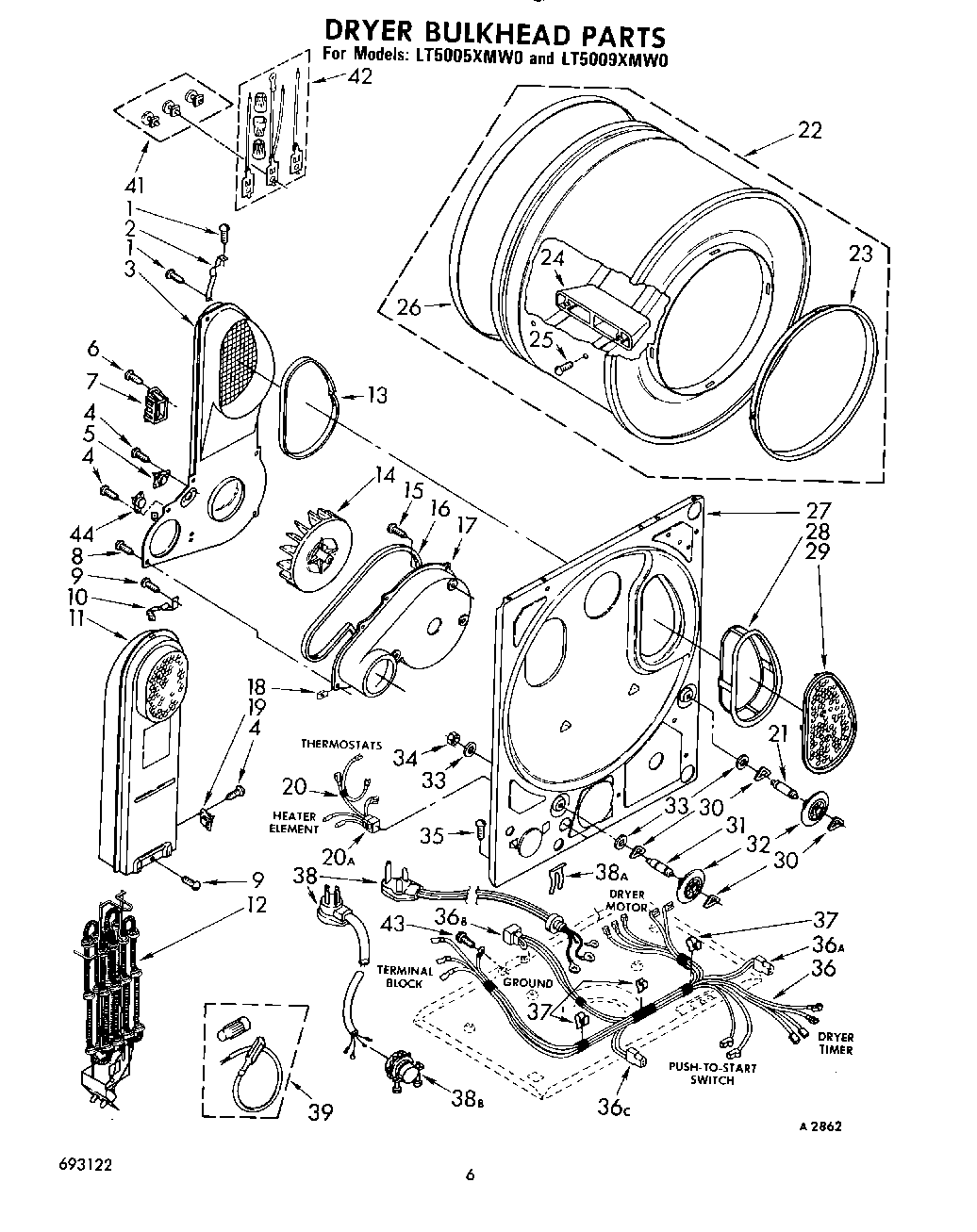
| Position | Product |
|---|
| 1 | SCREW |
| 2 | 345396 Whirlpool Clip |
| 3 | Air Duct & Bracket |
| 4 | WP90767 Whirlpool Screw |
| 6 | Screw, Terminal Block To Bracket (2) |
| 7 | 279320 Whirlpool Dryer Rear Terminal Block Kit |
| 8 | Screw, Grounding No.8 (5) (Air Duct To Scroll) |
| 10 | 279771 Whirlpool Clip |
| 11 | Box, Heater |
| 12 | Element, Heater |
| 13 | SEAL |
| 14 | Wheel, Blower |
| 15 | WP308685 Whirlpool Microwave Screw |
| 16 | Seal |
| 17 | Fan Scroll |
| 18 | Clip, Fan Scroll To Air Duct (5) |
| 19 | 279080 Whirlpool Thermostat |
| 20 | Plug, Multi- Terminal 56B |
| 20 | Harness, Thermostat & Heater (Includes Illus. 20A) |
| 21 | SHAFT SUPPORT ROLLER DRYER |
| 22 | 3391834 Whirlpool Drum |
| 23 | WP3394508 Whirlpool Bearing Ring |
| 24 | 685207 Whirlpool Dryer Baffle |
| 25 | Screw, 11-16 x 7/8 |
| 26 | SEAL |
| 27 | 279848 Whirlpool Bulkhead |
| 28 | W10828351 Whirlpool Dryer Filter Lint Screen with Cover |
| 30 | WPW10512946 Whirlpool Dryer Tri-Ring Drum Roller |
| 31 | SHAFT SUPPORT ROLLER DRYER |
| 32 | 349241T Whirlpool Dryer Drum Support Roller Kit |
| 33 | WP348197 Whirlpool Washer Assembly |
| 34 | WP358160 Whirlpool Nut |
| 35 | WP3390631 Whirlpool Screw |
| 36 | Receptacle, Latching (2-Way) (Uses Terminal 94614) |
| 36 | Harness, Main Dryer Wirin |
| 36 | Receptacle (2) |
| 37 | CLIP |
| 38 | 687000 Whirlpool Connector |
| 38 | DC4-30-6 USD Products Dryer 6' 4-Wire Cord 30 Amp |
| 38 | W11712577 Whirlpool Clip |
| 38 | PT220L Whirlpool Dryer Power Cord |
| 39 | 279457 Whirlpool Dryer Heating Element Wide Spade Connection |
| 41 | 279393 Whirlpool Terminal Block Screw and Nut Kit |
| 42 | 279318 Whirlpool Terminal |
| 44 | WP694674 Whirlpool Cycling Thermostat |