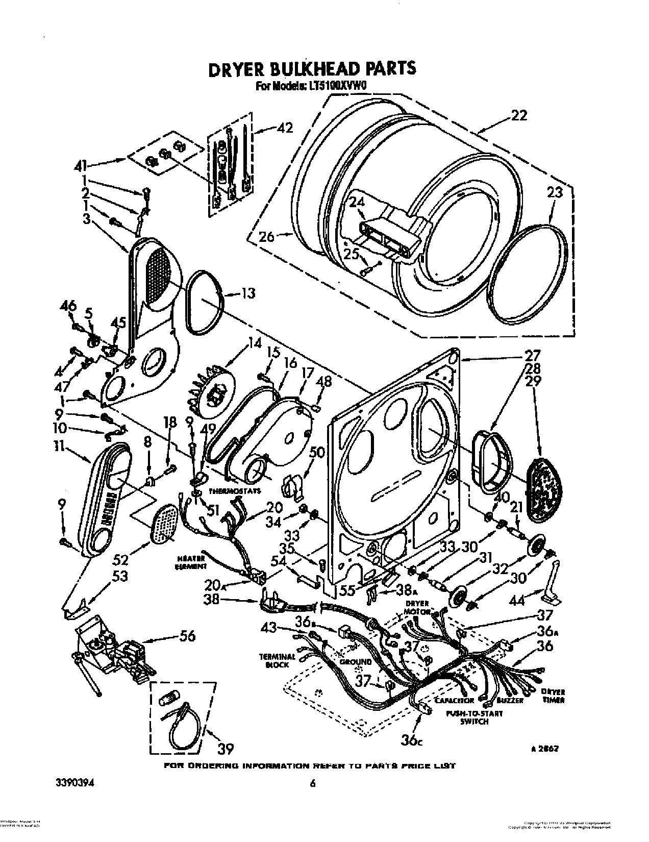
LT5100XVW0 05 – DRYER BULKHEAD

LT5100XVW0 05 – DRYER BULKHEAD

Products

PositionProduct
1SCREW
2345396 Whirlpool Clip
3696529 Whirlpool Air Duct
4WP90767 Whirlpool Screw
5WP694674 Whirlpool Cycling Thermostat
8Thermostat, 205 F (96 C)
8Thermostat SPST (205)
8(Alt.)
9WP308685 Whirlpool Microwave Screw
10279771 Whirlpool Clip
11280007 Whirlpool Heater Box
13SEAL
14WP696426 Whirlpool Wheel
16Seal, Fan Scroll
17WP696418 Whirlpool Fan Scroll
20Plug, Multi- Terminal 56B
20Harness, Thermostat & Heater (Includes Illus. 20A)
21SHAFT SUPPORT ROLLER DRYER
223391834 Whirlpool Drum
23WP3394508 Whirlpool Bearing Ring
24685207 Whirlpool Dryer Baffle
25Screw, 11-16 x 7/8
26SEAL
27Bulkhead
28W10828351 Whirlpool Dryer Filter Lint Screen with Cover
30WPW10512946 Whirlpool Dryer Tri-Ring Drum Roller
31SHAFT SUPPORT ROLLER DRYER
32349241T Whirlpool Dryer Drum Support Roller Kit
33WP348197 Whirlpool Washer Assembly
34WP358160 Whirlpool Nut
35WP3390631 Whirlpool Screw
36Receptacle, Latching (2-Way) (Uses Terminal 94614)
36Receptacle (2)
36Harness, Main Dryer Wiring (Includes Illus. 36A, 36B & 36C)
36WPL 717315
37CLIP
38WPW10581952 Whirlpool Power Cord
38W11712577 Whirlpool Clip
39279457 Whirlpool Dryer Heating Element Wide Spade Connection
40WP3388703 Whirlpool Washer
41279393 Whirlpool Terminal Block Screw and Nut Kit
42279318 Whirlpool Terminal
44WPL 3389665
45Heater, Thermostat
46WP488729 Whirlpool Refrigerator Door Screw
47WP3392519 Whirlpool Dryer Thermal Fuse
48W10491983 Whirlpool Tine Tip
49488946 Whirlpool Air Conditioner Clamp
50WP3400935 Whirlpool Dishwasher Clip
51WPL 312147
52345335 Whirlpool Cover
53347455 Whirlpool Support Assembly
54WPL 3387208
55WPL 697571
56Burner Assembly 60 Hz.