LT7000XTN0 02 – WASHER/DRYER CONTROL PANELadmin2025-04-26T13:06:05+00:00LT7000XTN0 02 – WASHER/DRYER CONTROL PANEL
Products
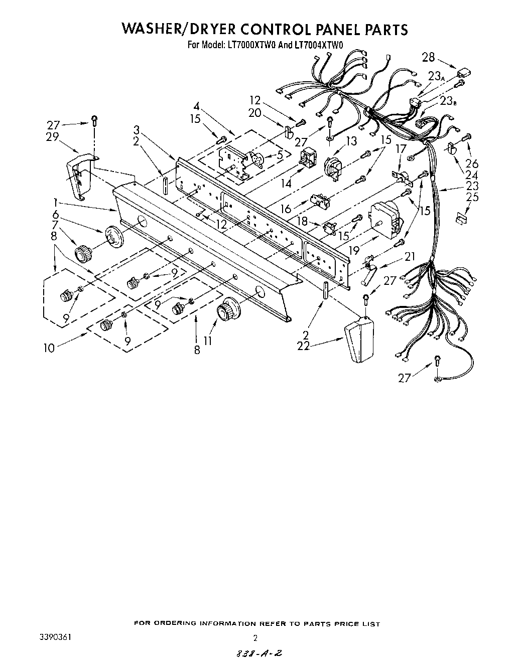
| Position | Product |
|---|
| 1 | Panel, Control |
| 2 | 3390688 Whirlpool Bumper Assembly |
| 3 | Bracket, Control (Includes Illus. 2) |
| 4 | WP3351744 Whirlpool Timer |
| 5 | Motor, Timer |
| 6 | Skirt, Timer Knob (Washer) |
| 7 | Knob, Timer (Washer) |
| 8 | Knob, Control (3) |
| 9 | WP688805 Whirlpool Spring Clip |
| 10 | Button, Push-To-Start |
| 11 | Knob, Timer (Dryer) |
| 12 | WP356418 Whirlpool Screw |
| 13 | Switch, Pressure |
| 14 | Switch, Water Temperature |
| 16 | Switch, Push-To-Start |
| 17 | Switch, Temperature (Variable) |
| 18 | WP694419 Whirlpool Buzzer Adjuster |
| 19 | Timer, Dryer |
| 20 | 488946 Whirlpool Air Conditioner Clamp |
| 21 | 3389453 Whirlpool Hinge Assembly |
| 22 | End Cap-Right Hand (Golden Wheat) |
| 22 | End Cap-Right Hand (Platinum) |
| 22 | End Cap-Right Hand (Almond) |
| 22 | End Cap-Right Hand (Toast) |
| 22 | End Cap (RH) |
| 23A | Connector |
| 23B | WP62889 Whirlpool Washer Lid Switch Terminal Receptacle |
| 23 | Harness - Dryer |
| 24 | 7111P002-60 Whirlpool Clamp |
| 25 | Clip, Harness (2) |
| 26 | WP3390631 Whirlpool Screw |
| 27 | SCREW |
| 28 | Control, Electronic |
| 29 | End Cap (LH) (Almond) |
| 29 | End Cap (LH) |
| 29 | End Cap-Left Hand (Toast) |
| 29 | End Cap-Left Hand (Platinum) |
| 29 | End Cap-Left Hand (Golden Wheat) |