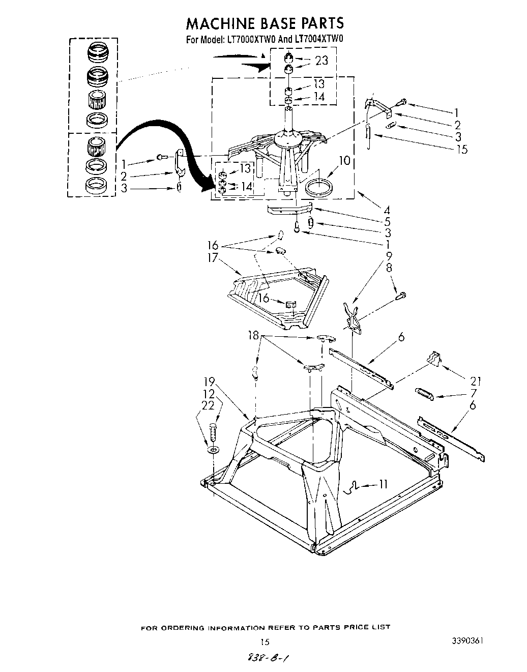
LT7000XTW0 10 – MACHINE BASEadmin2025-04-26T13:02:34+00:00LT7000XTW0 10 – MACHINE BASE ProductsPositionProduct1WP273556 Whirlpool Screw2WP64067 Whirlpool Bracket3WP63907 Whirlpool Washer Suspension Spring4Support & Brake, Tub5Bracket, Spring Outer (L.F.)6Link, Leveling Mechanism (2)78316845 Whirlpool Washer Spring8SCREW93350506 Whirlpool Retainer Clip10WP63134 Whirlpool Ring11WPW10145155 Whirlpool Retainer12Screw, Shoulder (2)13WP8546455 Whirlpool Bearing14W11095997 Whirlpool Seal15WPW10250667 Whirlpool Washer Suspension Spring16285219 Whirlpool Washer Suspension Plate Friction Pads 3 Pack17WP3946509 Whirlpool Skate Plate18285744 Whirlpool Washer Tub Suspension Rod Kit Pad 3 Pack19Base Assembly (Includes Illus. 11 & 18)213349749 Whirlpool Restrainer22WASHER23WP8577376 Whirlpool Seal24285203 Whirlpool CP Bearing