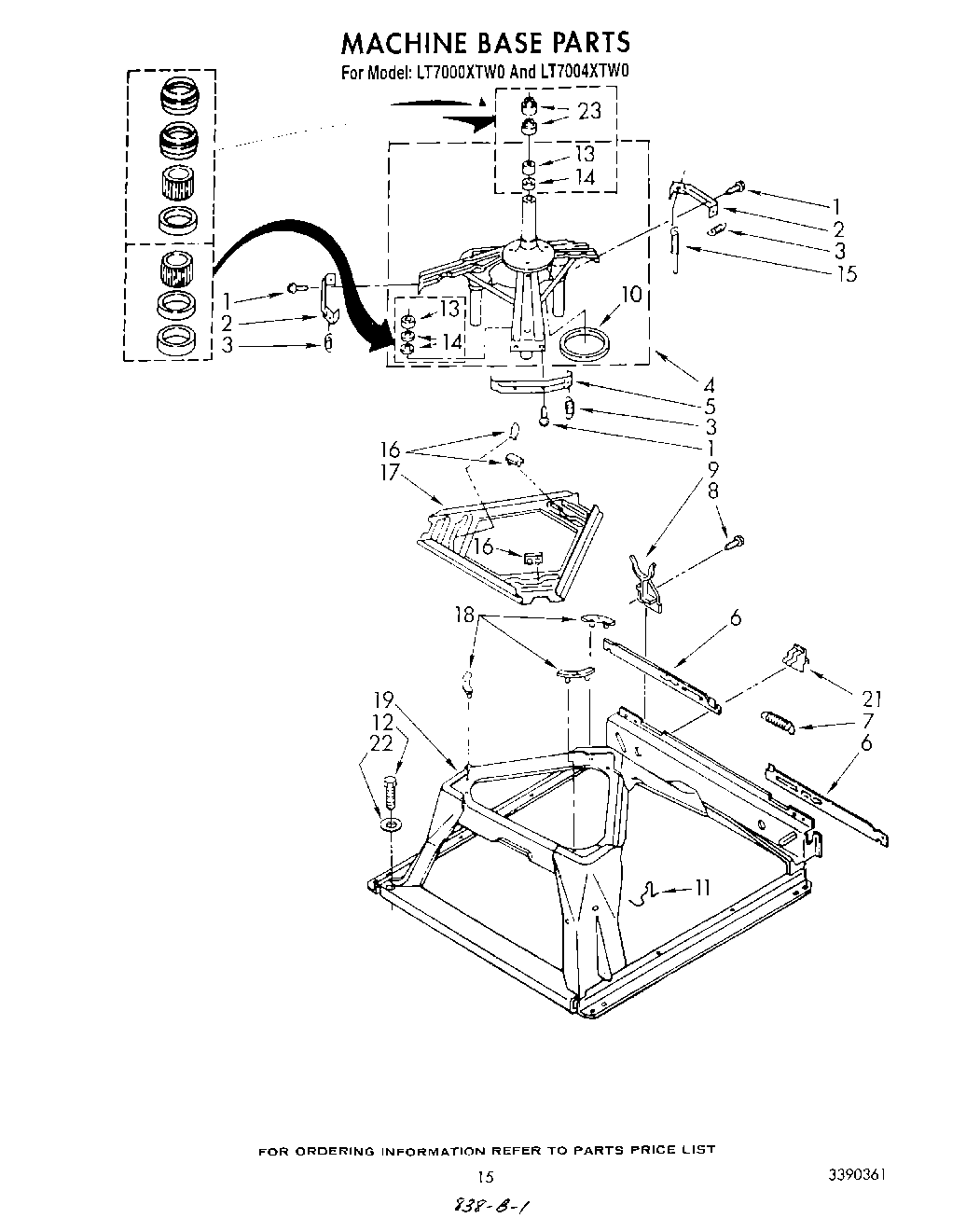
LT7004XTM0 10 – MACHINE BASE