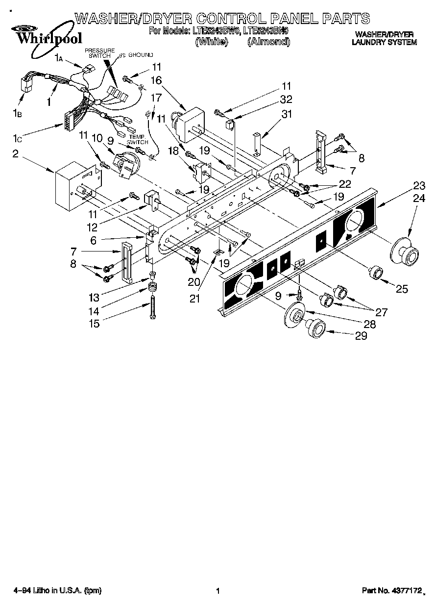
LTE5243BW0 01 – WASHER/DRYER CONTROL PANEL