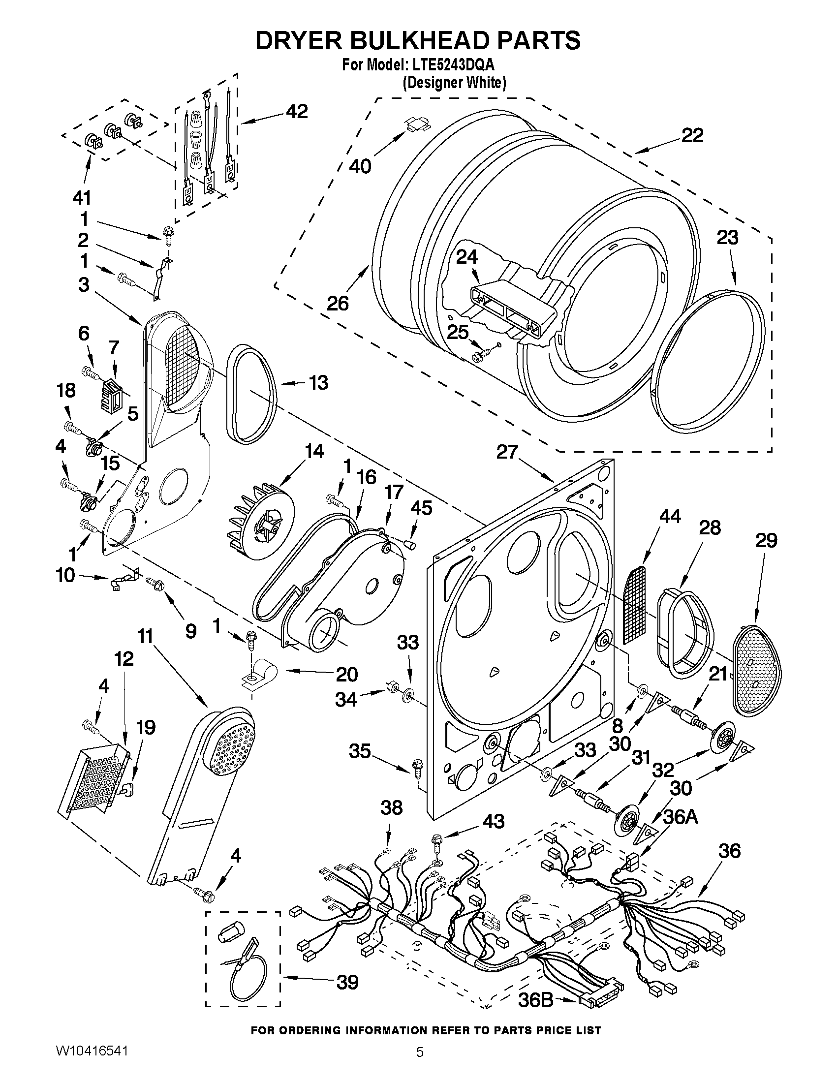
LTE5243DQA 04 – DRYER BULKHEAD PARTSadmin2025-04-26T12:17:18+00:00LTE5243DQA 04 – DRYER BULKHEAD PARTS ProductsPositionProduct1SCREW2345396 Whirlpool Clip3Air Duct & Bracket4WP90767 Whirlpool Screw5THRMST-FIX6WP308685 Whirlpool Microwave Screw7WP3397659 Whirlpool Terminal Block8WP3388703 Whirlpool Washer9WP489463 Whirlpool Refrigerator Screw10279771 Whirlpool Clip11WP3401380 Whirlpool Box12WP279843 Whirlpool Heating Element13SEAL14WP696426 Whirlpool Wheel15WP8572767 Whirlpool Cutoff TML168066094 Whirlpool Seal17WP696418 Whirlpool Fan Scroll18WP488729 Whirlpool Refrigerator Door Screw19THRMST-FIX20488946 Whirlpool Air Conditioner Clamp21SHAFT SUPPORT ROLLER DRYER223391834 Whirlpool Drum23WP3394508 Whirlpool Bearing Ring24685207 Whirlpool Dryer Baffle25W10853898 Whirlpool Screw26SEAL27279848 Whirlpool Bulkhead28W10828351 Whirlpool Dryer Filter Lint Screen with Cover30WPW10512946 Whirlpool Dryer Tri-Ring Drum Roller31SHAFT SUPPORT ROLLER DRYER32349241T Whirlpool Dryer Drum Support Roller Kit33WP348197 Whirlpool Washer Assembly34WP3359452 Whirlpool Nut35WP3390631 Whirlpool Screw36AReceptacle, Latching (2-Way) (Uses Terminal 94614)36B3395683 Whirlpool Connector368576537 Whirlpool Wire Harness38WP94614 Whirlpool Terminal39279457 Whirlpool Dryer Heating Element Wide Spade Connection408066086 Whirlpool Plug41279393 Whirlpool Terminal Block Screw and Nut Kit42279318 Whirlpool Terminal43W10850756 Whirlpool Screw44Screen, Back-Up45W10491983 Whirlpool Tine Tip