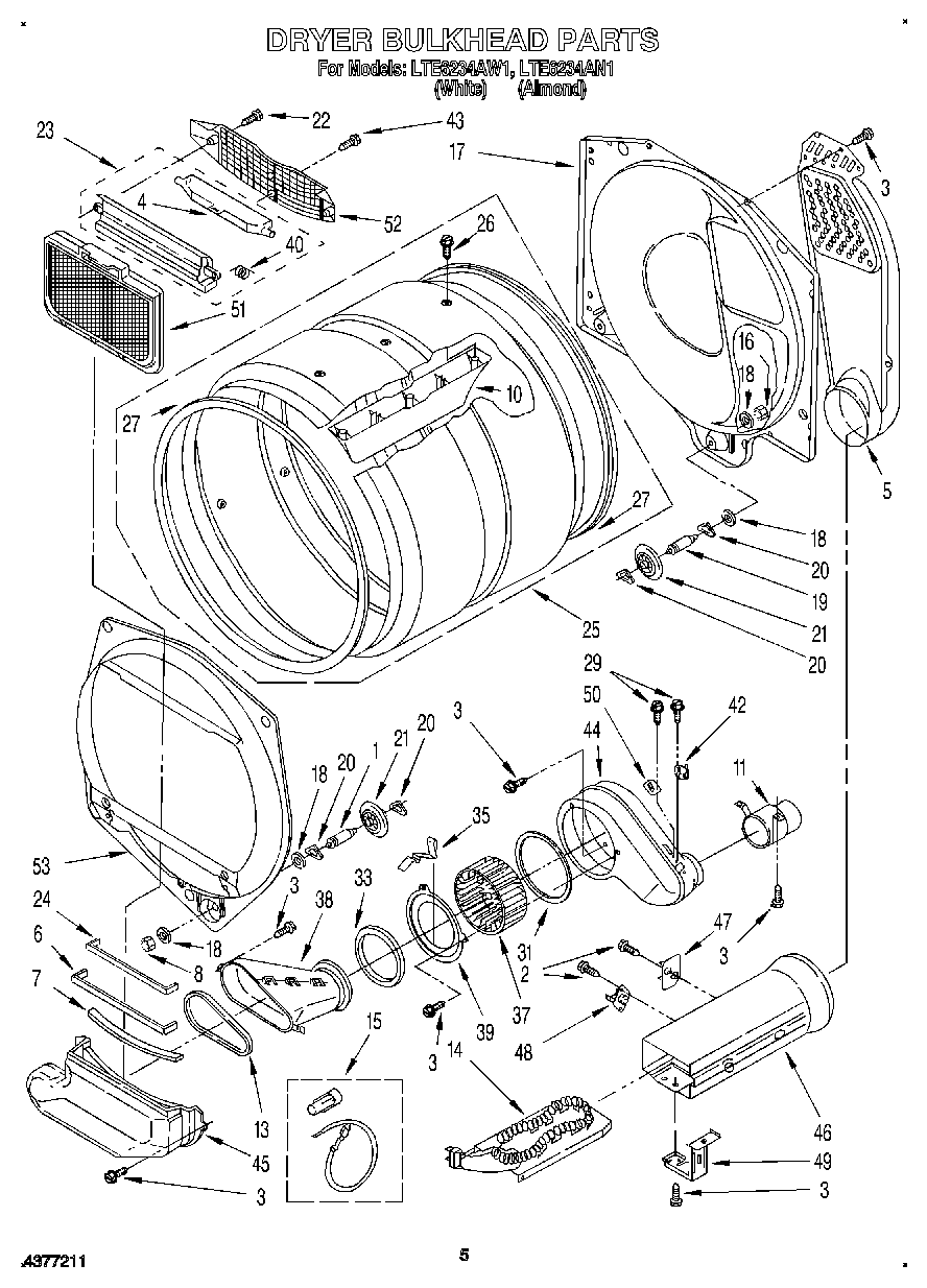
LTE6234AN1 04 – DRYER BULKHEAD