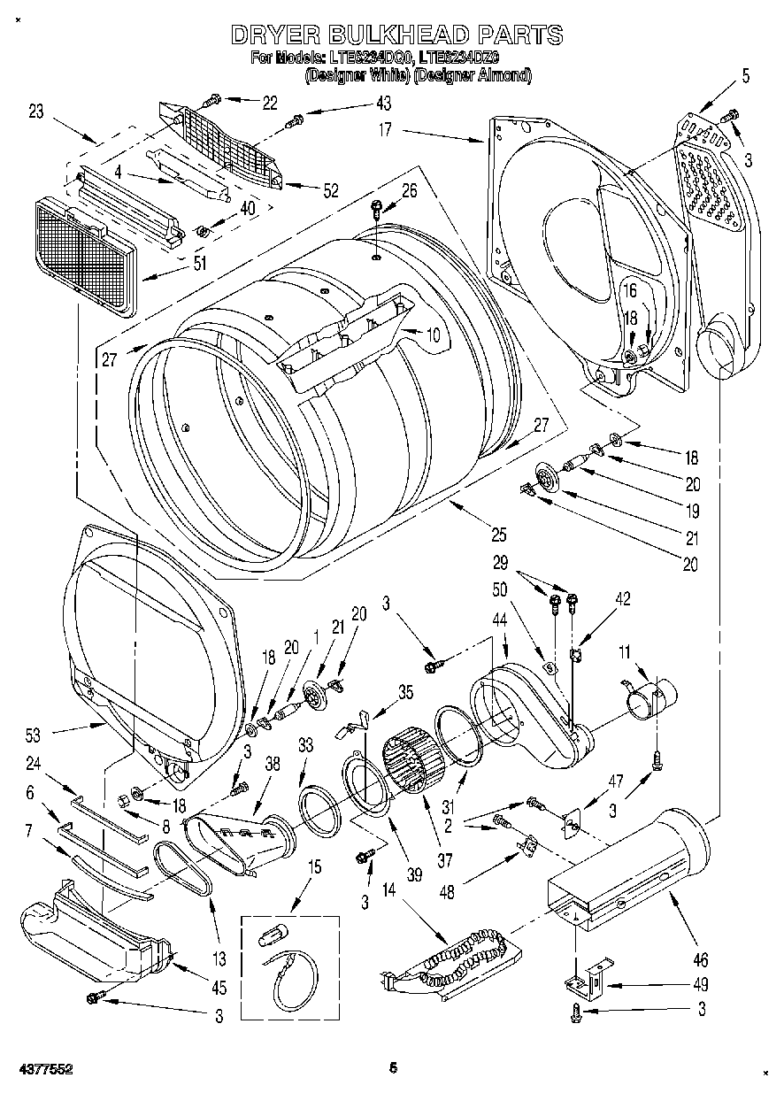
LTE6234DQ0 04 – DRYER BULKHEADadmin2025-04-26T12:19:50+00:00LTE6234DQ0 04 – DRYER BULKHEAD ProductsPositionProduct1SHAFT2WP90767 Whirlpool Screw3SCREW4W11222846 Whirlpool Door5WP3387911 Whirlpool Air Duct6WP697813 Whirlpool Seal7WP3391906 Whirlpool Seal8WP3359452 Whirlpool Nut10279982 Whirlpool Drum Baffle11279823 Whirlpool Exhaust Pipe13WP697770 Whirlpool Blower Cover Plate Seal14ELEMENT15279457 Whirlpool Dryer Heating Element Wide Spade Connection16Nut, 3/8-16 (L.H.)17W11299300 Whirlpool Bulkhead Assembly18W11236646 Whirlpool Washer Assembly19SHAFT20WPW10512946 Whirlpool Dryer Tri-Ring Drum Roller21WPW10314173 Whirlpool Dryer Drum Support Wheel22WP3387230 Whirlpool Screw23W11129408 Whirlpool Out Housing25W10518375 Whirlpool Drum Assembly26Screw27280114 Whirlpool Dryer Drum Seal29WPW10139210 Whirlpool Screw33WP8566209 Whirlpool Seal353390935 Whirlpool Clip37WP697772 Whirlpool Dryer Blower Wheel38279704 Whirlpool Duct Assembly39279780 Whirlpool Plate Cover40WP3394986 Whirlpool Spring42WP3387134 Whirlpool Dryer Cycling Thermostat43WP488729 Whirlpool Refrigerator Door Screw44WP8544363 Whirlpool Housing45279700 Whirlpool Duct Lint46W10802681 Whirlpool Box Assembly47279816 Whirlpool Dryer Thermal Cut-Off Fuse Kit48WP3390291 Whirlpool High Limit Thermostat493389648 Whirlpool Bracket Assembly50WP3403607 Whirlpool Thermoprotector51WP3389644 Whirlpool Screen Assembly52Grill, Outlet53WP697557 Whirlpool Bulkhead Assembly