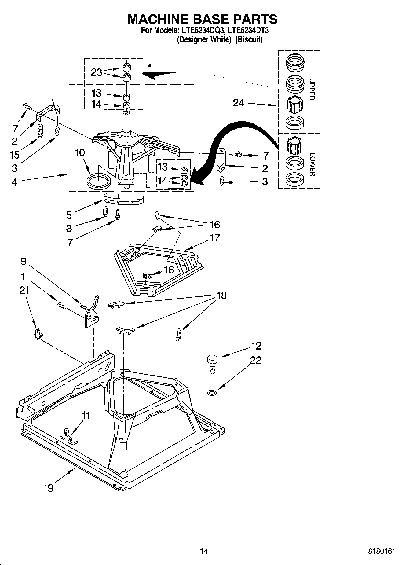
LTE6234DQ3 09 – MACHINE BASE PARTSadmin2025-04-26T12:18:22+00:00LTE6234DQ3 09 – MACHINE BASE PARTS ProductsPositionProduct1SCREW2WP64067 Whirlpool Bracket3WP63907 Whirlpool Washer Suspension Spring4Support & Brake, Tub5Bracket, Spring Outer (L.F.)7W10846509 Whirlpool Screw93350506 Whirlpool Retainer Clip10WP63134 Whirlpool Ring11WPW10145155 Whirlpool Retainer12WP3400501 Whirlpool Screw13WP8546455 Whirlpool Bearing14W11095997 Whirlpool Seal15WPW10250667 Whirlpool Washer Suspension Spring16285219 Whirlpool Washer Suspension Plate Friction Pads 3 Pack17WP3946509 Whirlpool Skate Plate18285744 Whirlpool Washer Tub Suspension Rod Kit Pad 3 Pack19Base Assembly (Includes Illus. 11 & 18)213349749 Whirlpool Restrainer22WASHER23WP8577376 Whirlpool Seal24285203 Whirlpool CP Bearing