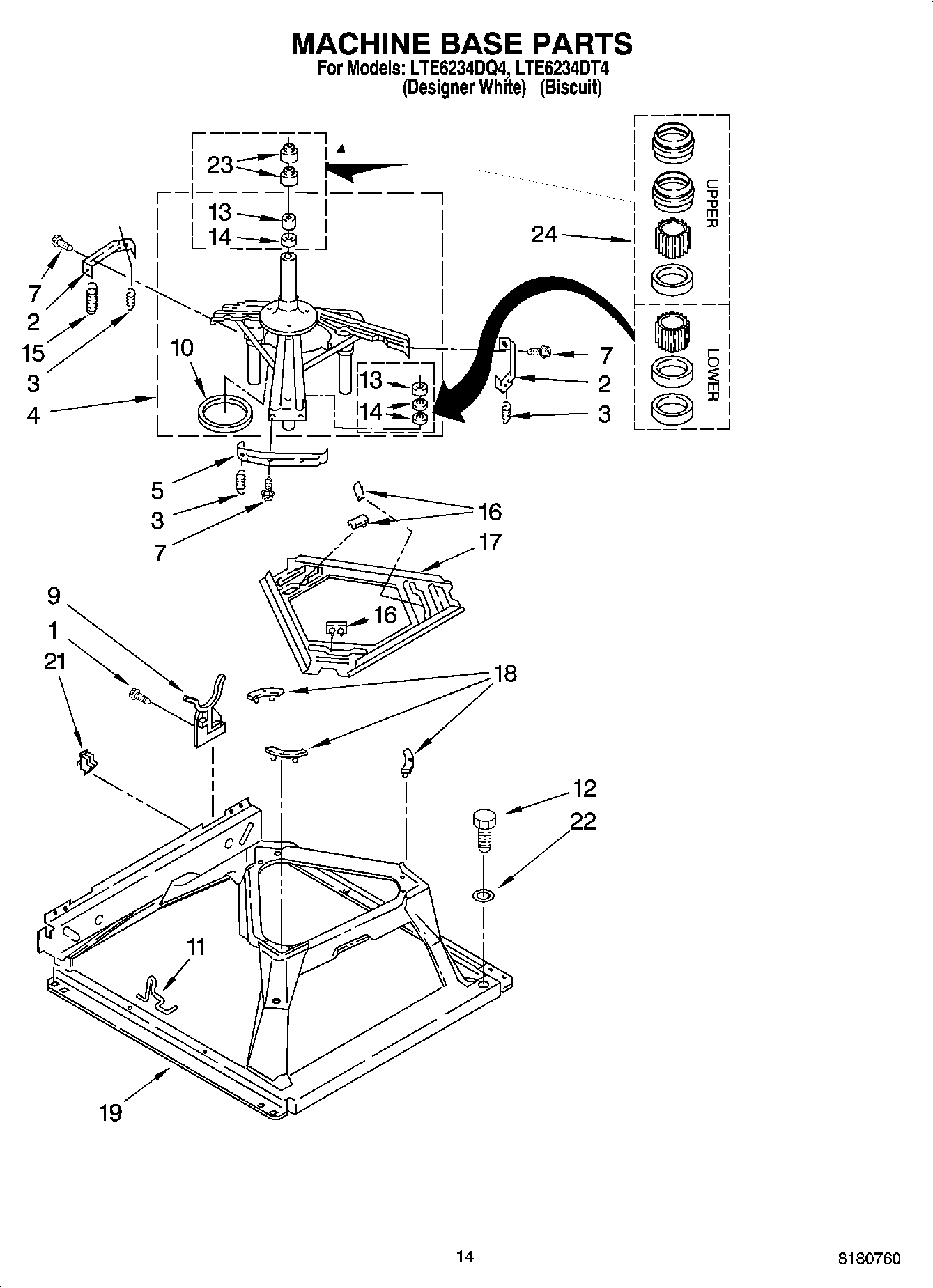
LTE6234DT4 09 – MACHINE BASE PARTS