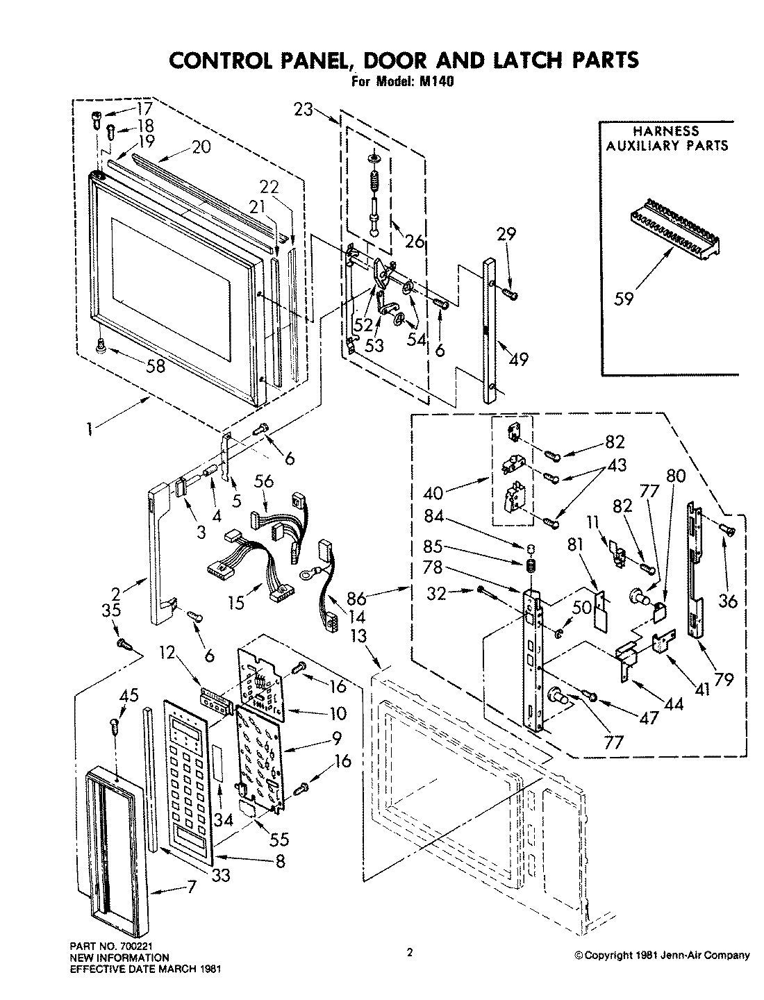
M140 02 – CONTROL PANEL, DOOR & LATCHadmin2025-04-26T09:23:57+00:00M140 02 – CONTROL PANEL, DOOR & LATCH ProductsPositionProduct1MAY 7011502MAY 7010433MAY 7010454MAY 7010605MAY 7010446MAY 7010637MAY 7010378MAY 7011519MAY 70113710MAY 70113811MAY 70105512MAY 70113514MAY 70107215MAY 70107016MAY 70108917MAY 70098118MAY 70098219MAY 70098520MAY 70098621MAY 70098422MAY 70098723MAY 70112326MAY 70115229MAY 70106432MAY 70099033MAY 70102334MAY 70106935MAY 70101436MAY 70101040MAY 70115341MAY 70099243MAY 70114744MAY 70105445MAY 70112547SCREW49MAY 70104950MAY 70099152MAY 70104653MAY 70104754MAY 70109055MAY 70108356MAY 70107158MAY 70100859MAY 70108059MAY 70108159MAY 70108259MAY 70107977MAY 70110979NOT REQUIRED PART OR SEE NOTE FUSE (NOT REQUIRED)80MAY 70107881MAY 70105682MAY 70106584MAY 70104885MAY 70106186MAY 701121