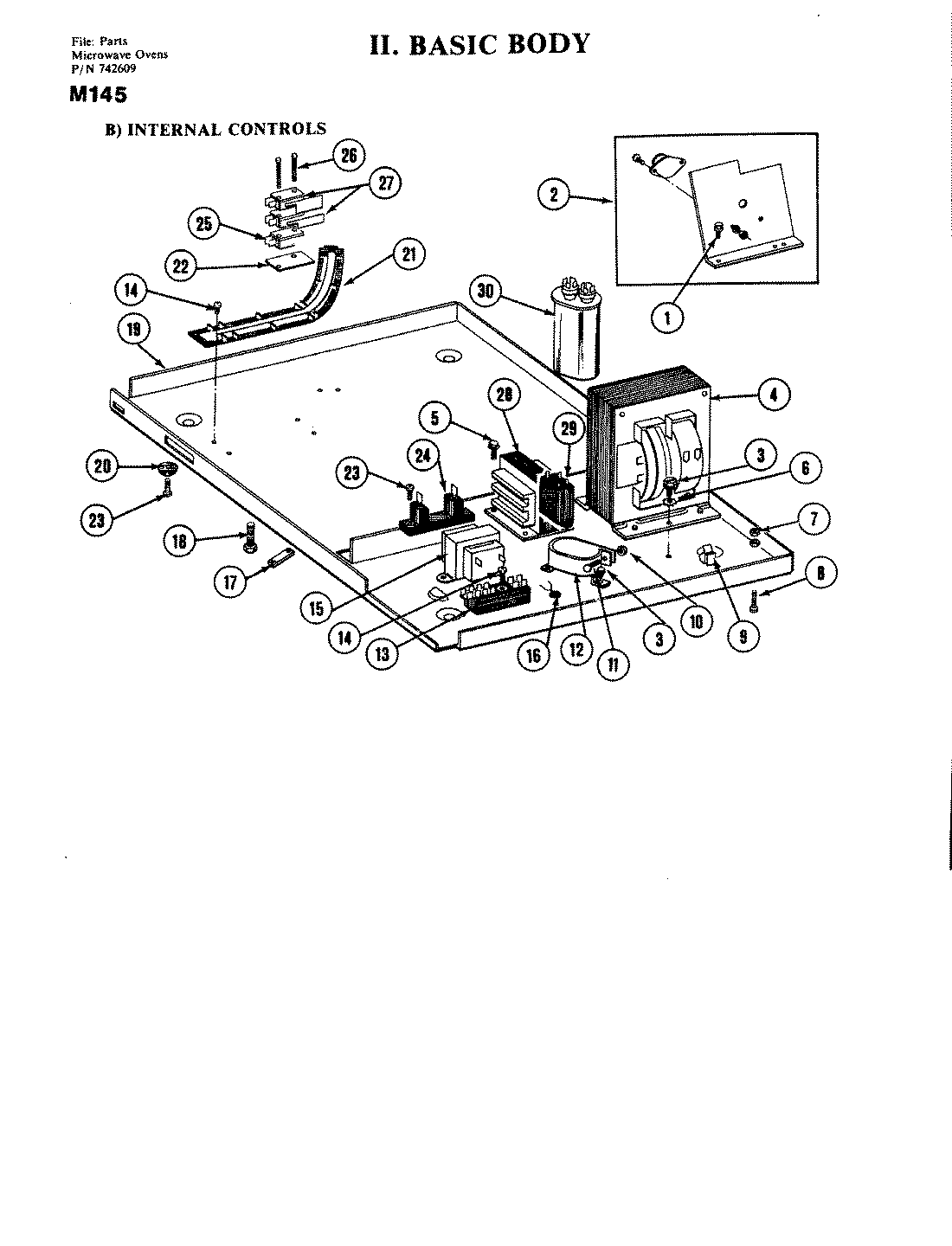
M145 02 – BASIC BODY-INTERNAL CONTROLSadmin2025-04-26T09:24:14+00:00M145 02 – BASIC BODY-INTERNAL CONTROLS ProductsPositionProduct1MAY 7661492MAY 7660353MAY 7660034MAY 7660345MAY 7660296MAY 7660287MAY 7661208MAY 7661219MAY 76609910MAY 76603111MAY 76603612MAY 76603013MAY 76603914MAY 76602215MAY 76602516MAY 76617617MAY 76613118MAY 76615019MAY 76624720MAY 76604521MAY 76602122MAY 76615123MAY 76604324MAY 76604225MAY 76602326MAY 76614327MAY 76602428MAY 76618229MAY 76624430MAY 766178