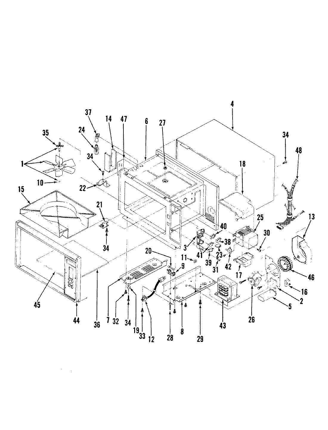
M15A-6P 01 – BASE & CAVITY