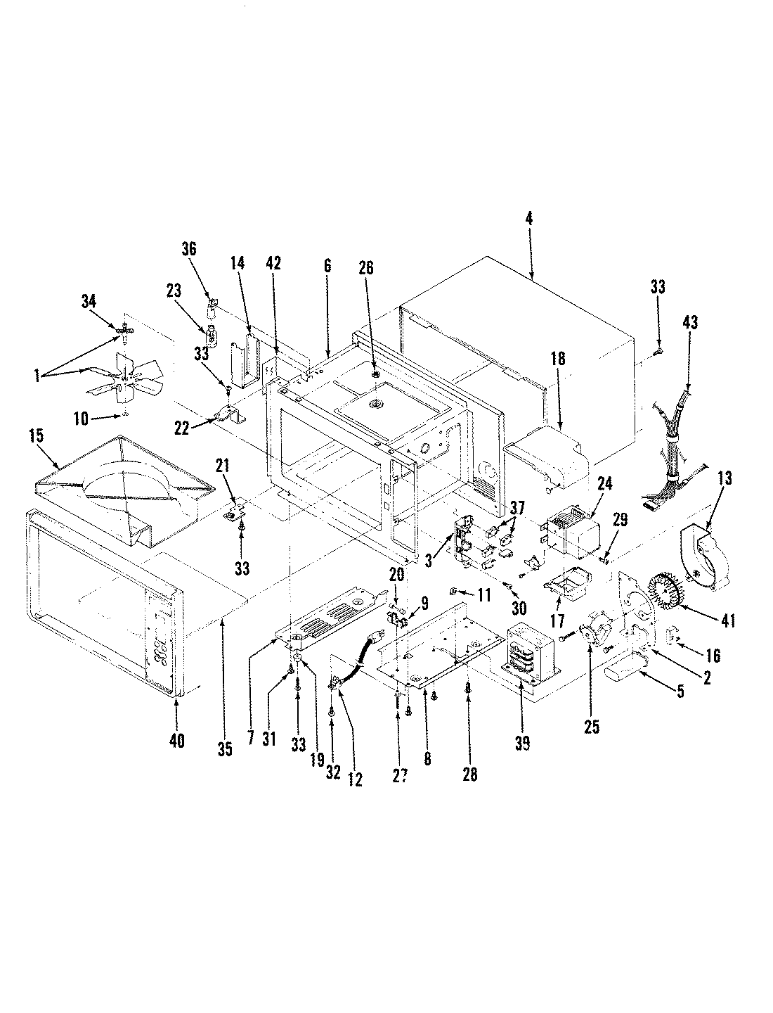
M15B-3B 01 – BASE & CAVITYadmin2025-04-26T09:25:56+00:00M15B-3B 01 – BASE & CAVITY ProductsPositionProduct1MAY 040210422MAY Y020301363MAY 031400183MAY 023600463MAY 020301313MAY 031400194MAY 021400665MAY Y010200216MAY 040213666MAY 040210827MAY 020900058MAY 031100618MAY 020900069MAY Y0110003610MAY 0311005810MAY Y0311005511MAY 0311006012MAY 0230004012MAY 0108005013MAY Y0230003214MAY Y0230003114MAY 0230003416MAY Y0401020017MAY 0217012318MAY 0217012419MAY Y0223000820MAY 0231015720MAY Y0105000521MAY 0402103622MAY 040210352325T8DC Bulb24MAY 0104000525MAY 0111002026MAY 0305000727MAY Y0306000428MAY 0301009429MAY 0301009830MAY 0301014231MAY 0301014332MAY 0302003033MAY 0302007734MAY 0236004535MAY Y0228002036MAY Y0110004037MAY 0114005238MAY Y0118000838MAY 8270P003-6038MAY 8270P005-6038MAY 8270P006-6039MAY 0113002740MAY 0210010141MAY Y0111001742MAY 0222008443MAY 0401019943MAY 0406052343MAY 0406052243MAY 0406052143MAY 04010191