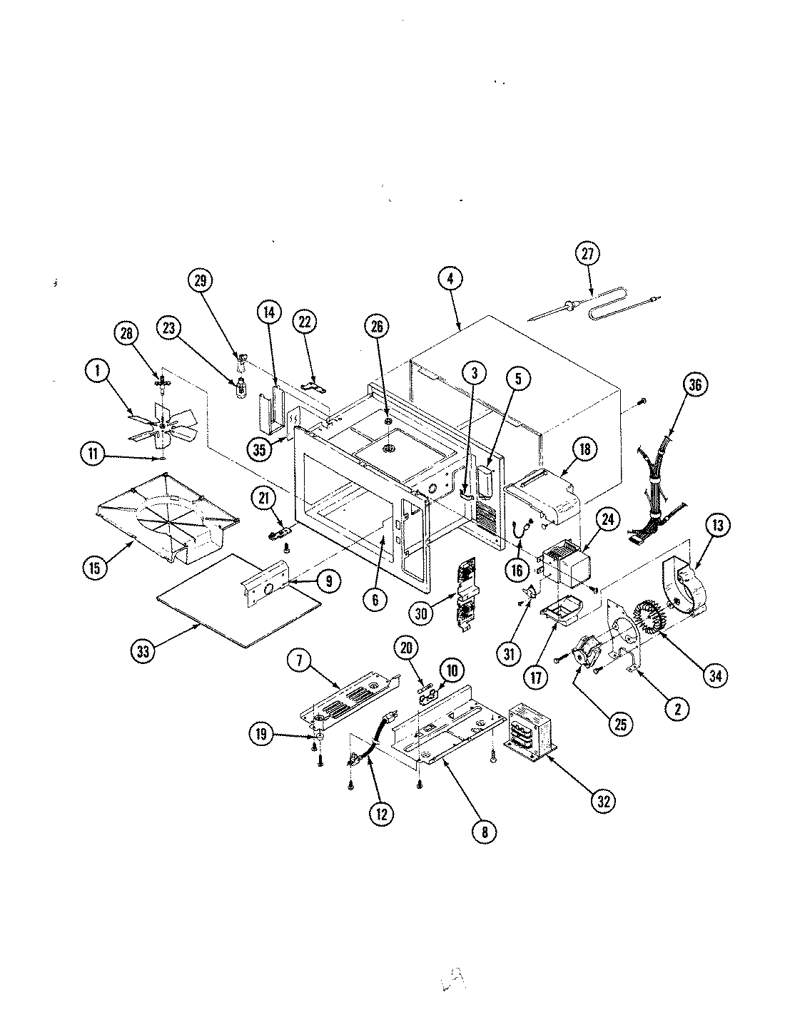
M15C-9PB 01 – BASE & CAVITYadmin2025-04-26T09:23:59+00:00M15C-9PB 01 – BASE & CAVITY ProductsPositionProduct1MAY 040210421MAY 040210902MAY Y020301363MAY 020301234MAY 021400715MAY Y010200216MAY 040213917MAY 020900108MAY 020900119MAY 031100619NOT REQUIRED PART OR SEE NOTE FUSE (NOT REQUIRED)10MAY Y0110003611MAY Y0311005512MAY 0108005312MAY 0230004013MAY Y0230003214MAY 0230003414MAY Y0230004915MAY Y0230002916MAY Y0401021917MAY 0217012318MAY 0217013319MAY Y0223000820MAY 0231015720MAY Y0105000521MAY 0402134322MAY 0117000822MAY 040213442325T8DC Bulb24MAY 0104000525MAY 0111002026MAY 0305000727MAY 0122000628MAY 0236004529MAY Y0110004030MAY 0114006430MAY 0114006330MAY 0402127531MAY 8270P006-6031MAY Y0118000831MAY 8270P003-6031MAY 8270P005-6032MAY Y0113003033MAY Y0228001633MAY Y0228003934MAY Y0111001735MAY 0222008436MAY Y0302006836MAY 0401021036MAY 0213000436MAY 0213000336MAY 0210017136MAY 0210017036MAY 0302007736MAY 0406053936MAY 0406053837MAY Y06010253