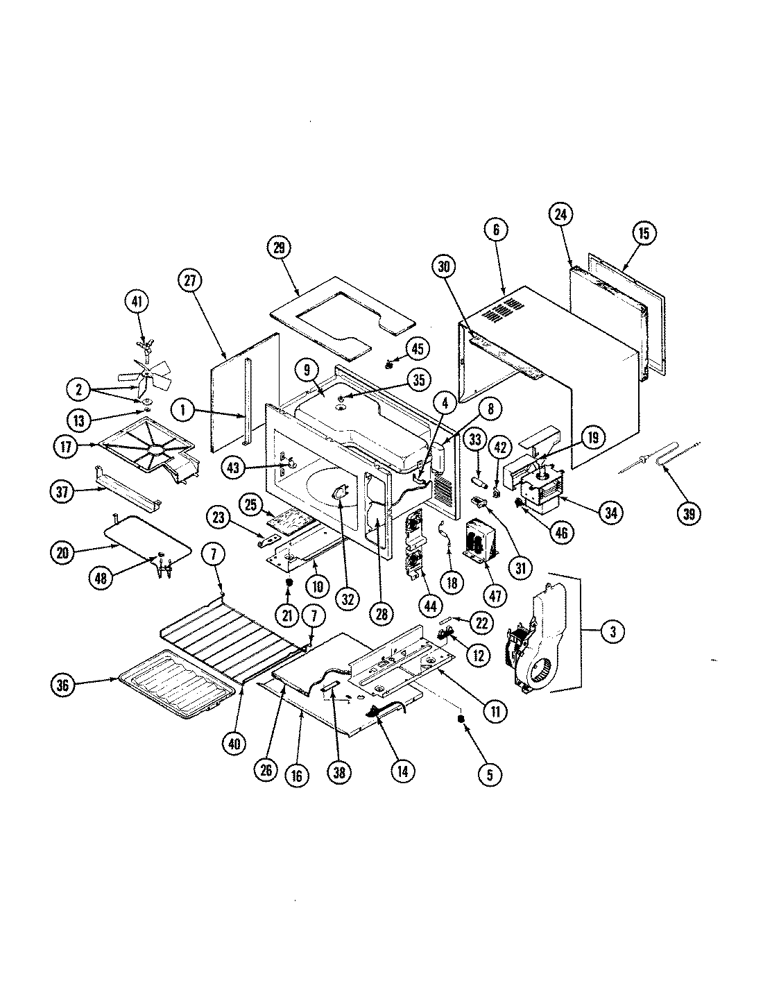
M16FN-10PB 01 – BASE & CAVITY