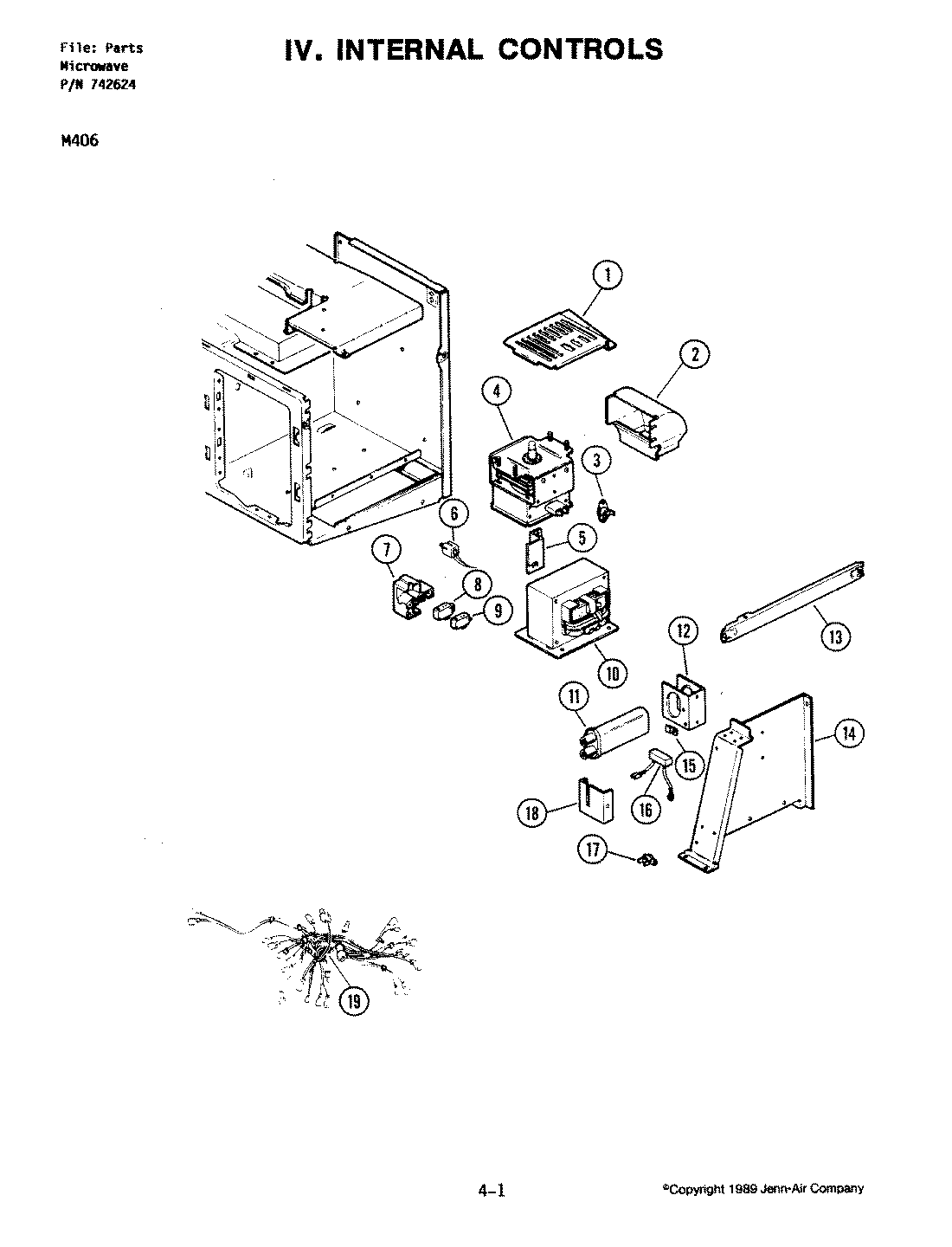
M406 05 – INTERNAL CONTROLSadmin2025-04-26T13:11:33+00:00M406 05 – INTERNAL CONTROLS ProductsPositionProduct1MAY 2850-00042MAY 2335-00183MAY 3160-00084MAY 2705-00045MAY 2145-00506MAY 2915-00067MAY 2275-00437MAY 2275-00298MAY 3135-00399MAY 3135-00709MAY 3135-00599MAY 3135-006310MAY 3215-000911MAY 2210-000412MAY 2145-004613MAY 2145-004814MAY 3130-002115MAY 2385-000416MAY 2315-000417MAY 3160-000618MAY 2080-000718MAY 2512-0001