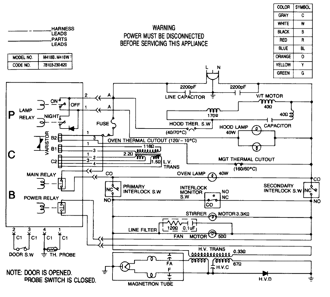
M418W 06 – WIRING INFORMATIONadmin2025-04-26T13:09:25+00:00M418W 06 – WIRING INFORMATION ProductsPositionProductNIMAY 15001442