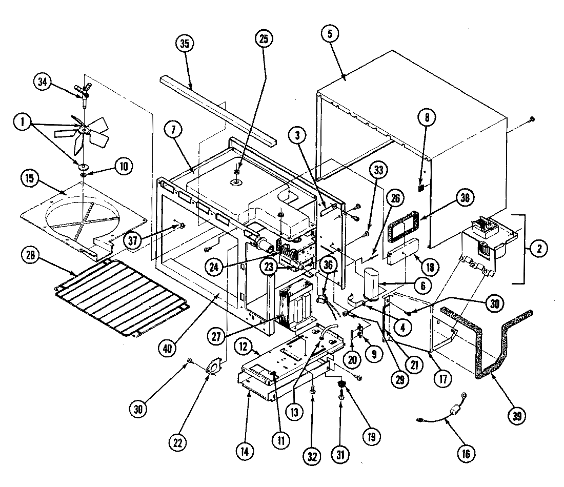
M46H-14T 01 – BASE & CAVITYadmin2025-04-26T13:11:24+00:00M46H-14T 01 – BASE & CAVITY ProductsPositionProduct1MAY 040211902MAY Y020301442MAY Y021701192MAY Y011100162MAY 040211912MAY 011100293MAY 020200203MAY 040209574MAY 020301755MAY Y021400426MAY Y010200236MAY 010100087MAY 040215548MAY 031100278MAY 031100469MAY Y011000369MAY Y0311005010MAY 0311006611MAY 0311002212MAY Y0204010113MAY 0108005514MAY 0230003915MAY Y0230004516MAY 0103001317MAY Y0402084218MAY Y0217011219MAY 0223001220MAY Y0105000521MAY 0231007122MAY Y024000072325T8DC Bulb24MAY 0104000425MAY 0305000726MAY 0204009426MAY Y0306000227MAY 0113002828MAY Y0241000429MAY Y0302007630MAY 0301009831MAY 0302008132MAY 0302007733MAY 0301006034MAY 0236005835MAY 0210024136MAY 0110004537MAY 0201003137MAY 0118001038MAY 0231010939MAY 0231007040MAY 0401028340MAY Y0311005940MAY Y0301015740MAY 0230005740MAY Y0406053240MAY Y0311007840MAY Y0406053540MAY 02240747