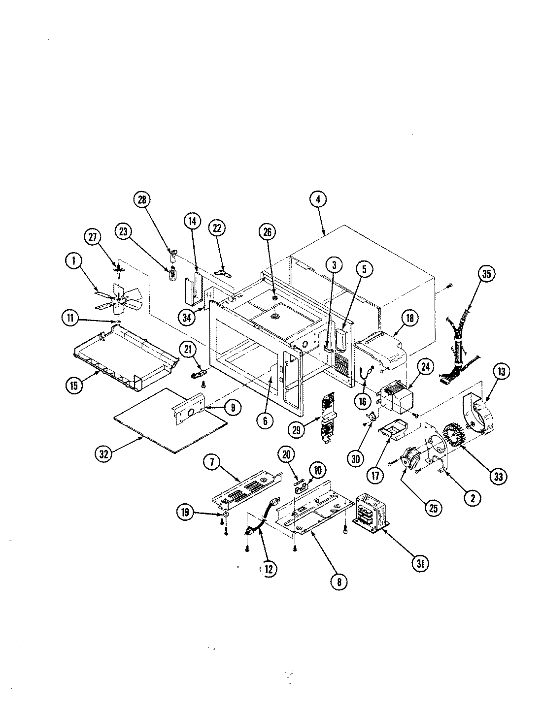
M5C-1C 01 – BASE & CAVITY