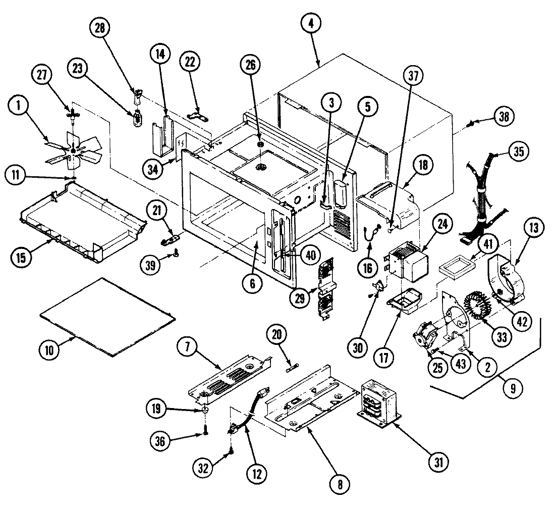
M5HW-3 01 – BASE & CAVITYadmin2025-04-26T13:12:16+00:00M5HW-3 01 – BASE & CAVITY ProductsPositionProduct1MAY 040215322MAY Y020301363MAY 020301234MAY 021400955MAY Y010200216MAY 040215557MAY 020900108MAY 020900119MAY 0402109010MAY Y0228003911MAY 0311006612MAY 0108005313MAY Y0230003214MAY Y0230004915MAY Y0230002916MAY Y0401021917MAY 0217012318MAY 0217013319MAY Y0223000820MAY Y0110003620MAY Y0105000521MAY 0402134322MAY 0402134422MAY Y0301011922MAY Y030200762325T8DC Bulb24MAY 0104000525MAY 0111002026MAY 0305000727MAY 0236005828MAY Y0110004029MAY Y0114007629MAY 0201005429MAY 0203015229MAY 0402148229MAY Y0302009429MAY Y0114007730MAY 8270P100-6030MAY Y0118000831MAY Y0113004031MAY 0301009433MAY Y0111001734MAY 0222008435MAY 0406053835MAY Y0311007835MAY 0406053935MAY 0401027835MAY 0105000837MAY 0311006138MAY 0302007738MAY 0302009539MAY 0302009840MAY 0204009041MAY 0231015742MAY 0305000344MAY Y03020087