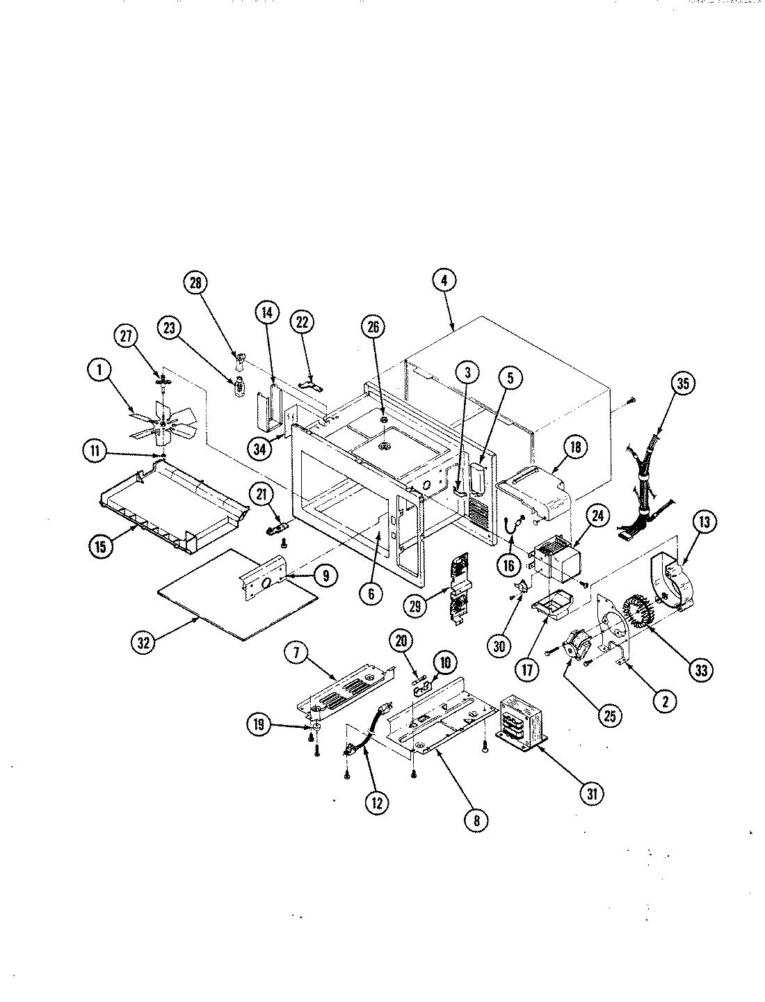
M60D 01 – BASE & CAVITY