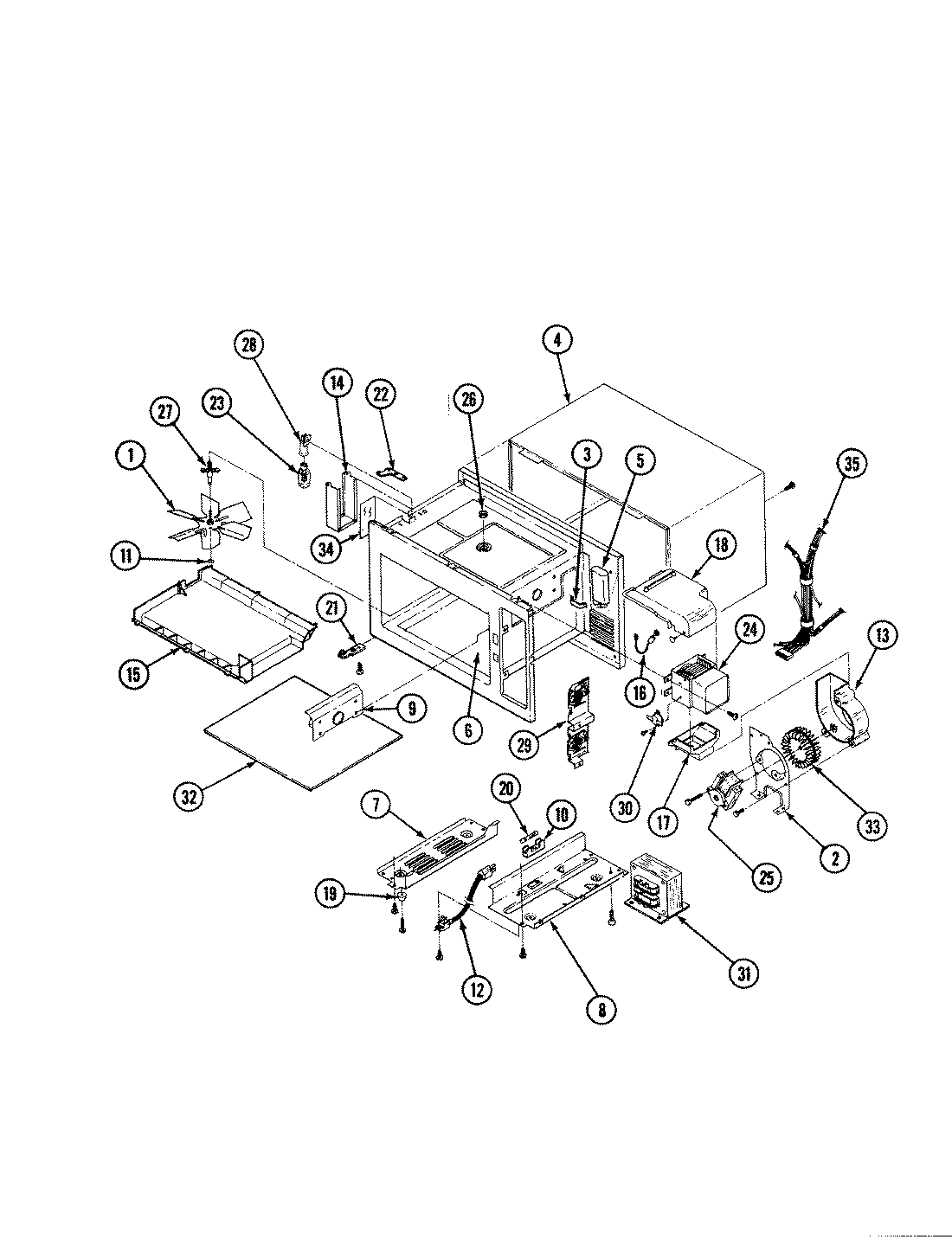
M80B 01 – BASE & CAVITY