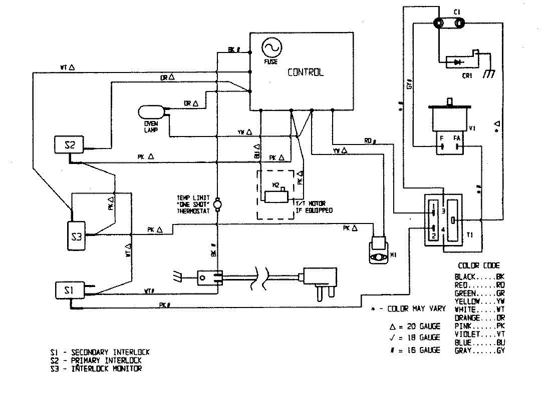
M84KB 06 – WIRING INFORMATIONadmin2025-04-26T11:35:19+00:00M84KB 06 – WIRING INFORMATION ProductsPositionProductNIMAY 15001259