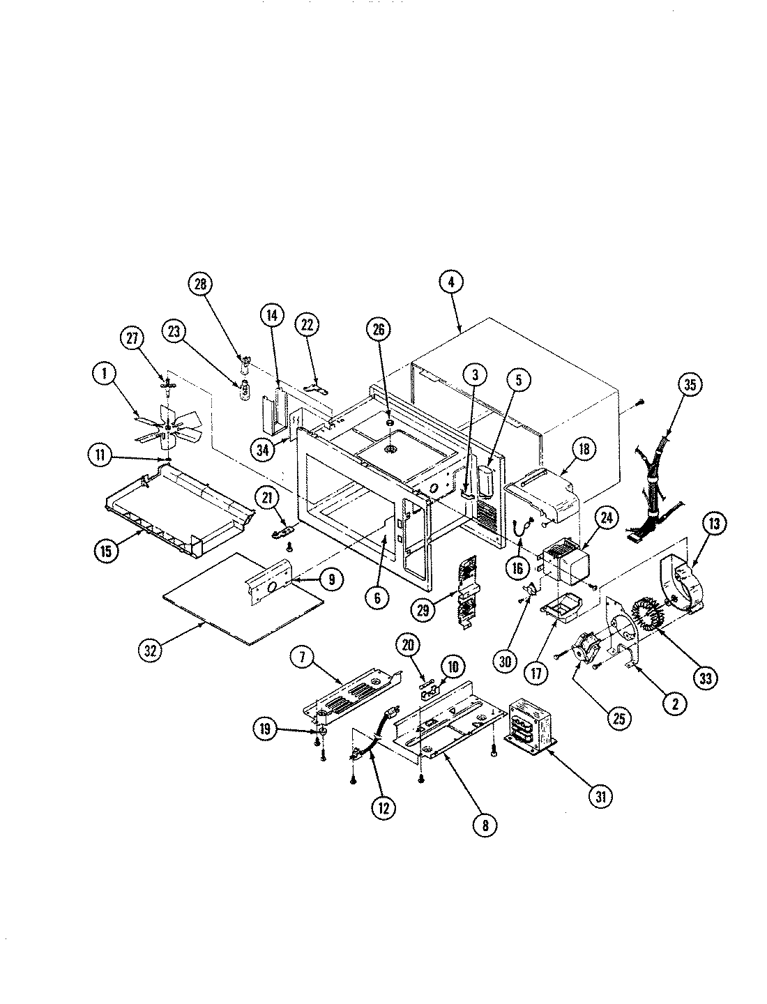
MA15F-14T 01 – BASE & CAVITYadmin2025-04-26T13:09:38+00:00MA15F-14T 01 – BASE & CAVITY ProductsPositionProduct1MAY 040210421MAY 040210901MAY Y040102192MAY Y020301363MAY 020301234MAY 030200774MAY 021400685MAY Y010200216MAY 040214487MAY 020900108MAY 020900119MAY 0311006110MAY Y0110003611MAY 0311006612MAY 0108005312MAY 0230004013MAY Y0230003214MAY Y0230004914MAY 0230003415MAY Y0230002917MAY 0217012318MAY 0217013319MAY Y0223000820MAY 0231015720MAY Y0105000521MAY 0402134322MAY 040213442325T8DC Bulb24MAY 0104000525MAY 0111002026MAY 0305000727MAY 0236005828MAY Y0110004029MAY Y0114007629MAY Y0114007729MAY 0402148230MAY 8270P006-6030MAY Y0118000830MAY 8270P003-6030MAY 8270P005-6031MAY Y0113003032NOT REQUIRED PART OR SEE NOTE FUSE (NOT REQUIRED)33MAY Y0111001734MAY 0222008435MAY Y0603005435MAY 0401025235MAY 0224078035MAY 0406053935MAY Y0601031135MAY 04060538