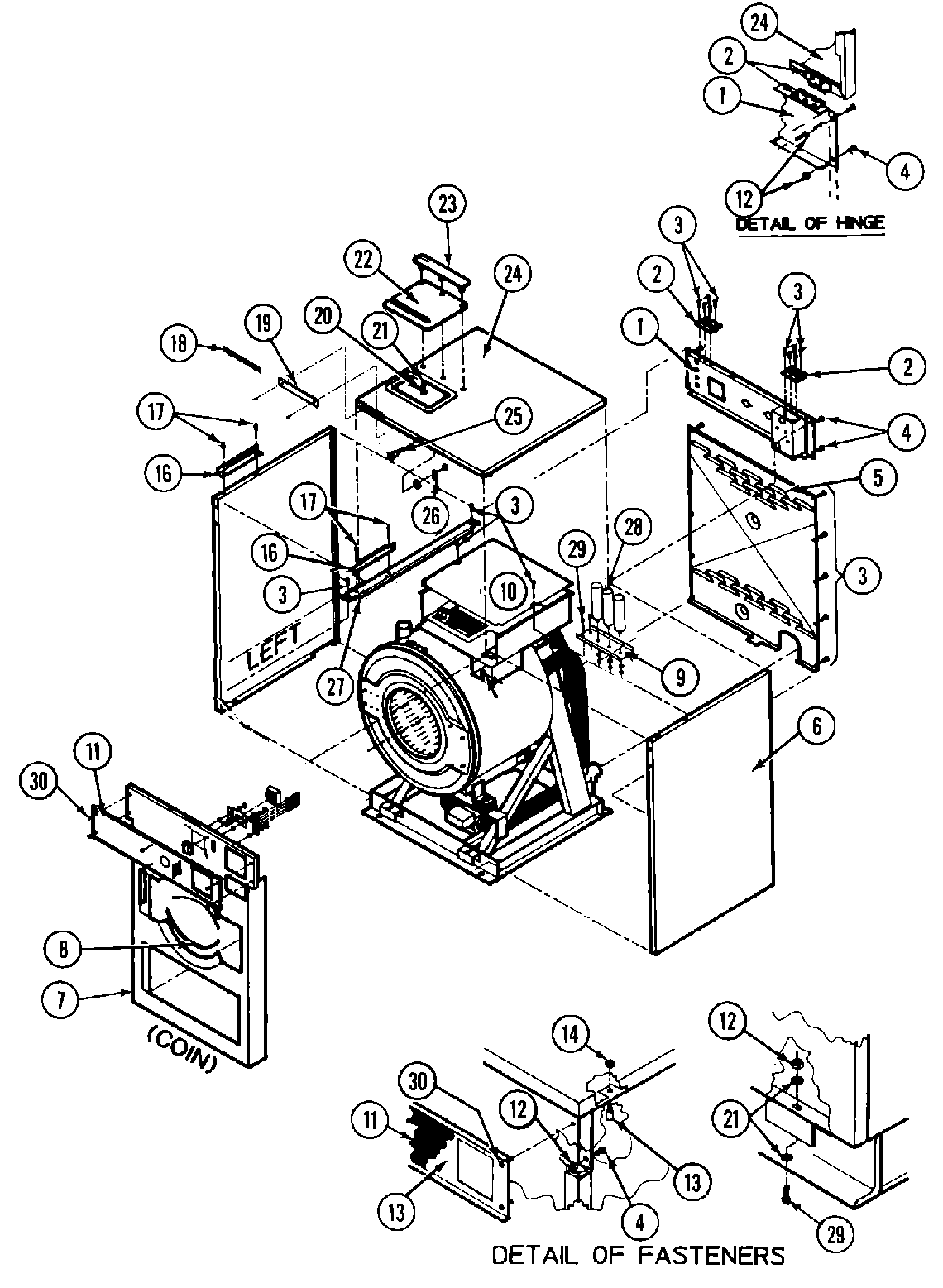
MAF25MC4VL 09 – CABINET (MAF25MC4Vx)admin2025-04-26T13:11:36+00:00MAF25MC4VL 09 – CABINET (MAF25MC4Vx) ProductsPositionProduct000MAY NPN001MAY 24001663002MAY 24001183004MAY 24001323005MAY 24001401007MAY 24001665008TRIM, PANEL (INR. FRNT.)009MAY 24001674010MAY 24001545011MAY 24001058012MAY 24001305013MAY 24001546014MAY 24001425015MAY 24001664016MAY 24001539017MAY 24001540018MAY 24002036019MAY 24001671020MAY 24001510021MAY 24001312022COVER, SOAP DISPENSER023MAY 24001542024DOWEL PIN FOR HANDLE025MAY 24001220026MAY 24001221027MAY 24001673028CAPACITOR W/RES. (130MF) (SINGLE PHASE)028CAPACITOR (10MF) (W/CENTURY MOTORS)028MAY 24001239029MAY 24001303030MAY 24001212