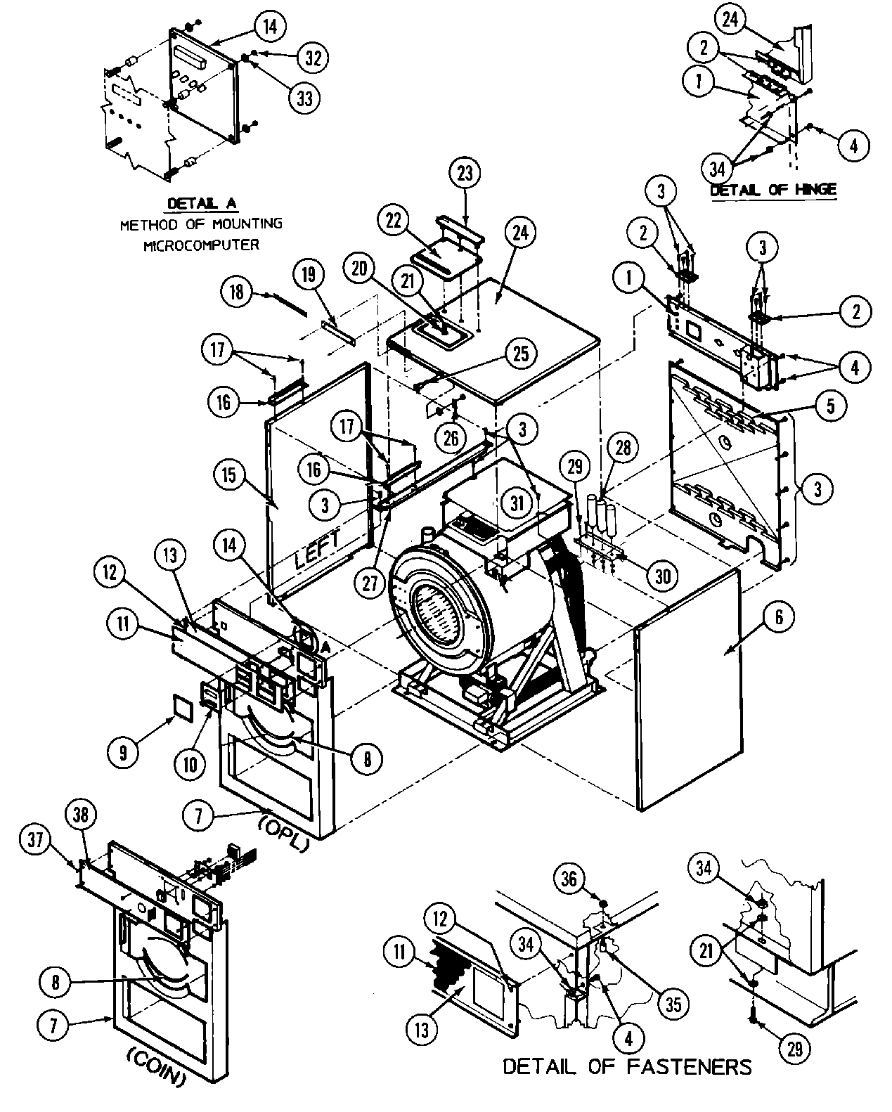
MAF25MN3 09 – CABINET